|
|
|
|
|
 |
|
球鎖快速裝夾系統 |
|
索引 |
總索引 1.1 |
球鎖系統目錄及索引 1.1 |
ZPS零點系列目錄及索引 1.49 |
|
球鎖系統介紹(公制) |
工作原理 1.4 |
圖解說明 1.5 |
簡介1 1.6 |
簡介2 1.7 |
常見問題解答1 1.8 |
常見問題解答2 1.9 |
|
球鎖基礎板 |
多工位基礎板1000x500 1.10 |
小型 1.11 |
|
球鎖夾具板 |
與基礎板配套的球鎖夾具板1 1.12 |
與基礎板配套的球鎖夾具板2 1.13 |
|
球鎖夾具立柱 |
T型夾具立柱 1.14 |
四面式夾具立柱 1.15 |
與立柱配套的基礎板和夾具板 1.16 |
|
定制您的球鎖系統組件 |
|
用于轉臺的球鎖系統 |
用于轉臺的球鎖系統 1.18 |
定制信息 1.19 |
|
球鎖軸 |
|
接受套&定位套 |
|
不銹鋼球鎖軸 |
|
不銹鋼接受套與定位套 |
|
附件 |
附件1 1.24 |
附件2 1.25 |
|
英制 |
|
多工位基礎板40x20 |
多工位基礎板40x20 1.26 |
配套夾具板 1.27 |
|
標準型基礎板 |
標準型基礎板 1.28 |
配套夾具板 1.29 |
|
QLS 夾具板 16x16 (英制) |
配置選項1 1.30 |
配置選項2 1.31 |
|
球鎖系統組件-可定制 |
|
球鎖式夾具立柱 |
T型夾具立柱 1.33 |
四面式夾具立柱 1.34 |
與夾具立柱配套的基礎板和夾具板 1.35 |
|
用于分度盤的球鎖系統 |
用于分度盤的球鎖系統 1.36 |
定制信息 1.37 |
|
球鎖軸 |
|
接受套&定位套 |
|
不銹鋼球鎖軸 |
|
不銹鋼接受套&定位套 |
|
附件 |
附件1 1.42 |
附件2 1.43 |
|
HAAS*機床專用的球鎖裝夾系統 |
|
Bock定位板系統 |
備注:手冊該頁為空白頁 1.46 |
|
ZPS零點系統簡介 |
簡介 1.47 |
應用場合 1.48 |
|
ZPS零點系統索引 |
|
ZPS零點系統特點 |
一步完成定位和鎖緊 1.50 |
有助于過程改進的八大特點 1.50 |
有助于過程改進的八大特點 1.51 |
|
安裝尺寸 |
定位與夾緊 1.52 |
鎖緊銷安裝孔的加工尺寸 1.52 |
|
基礎板套件 |
2單元鎖緊板 1.53 |
4單元鎖緊板 1.53 |
|
鎖緊銷 |
K5系列 1.54 |
K10系列 1.54 |
K20系列 1.54 |
K40系列 1.54 |
|
固定螺栓&螺母 |
鎖緊銷固定螺栓 1.55 |
鎖緊銷螺栓螺母 1.55 |
浮動鎖緊銷 1.55 |
鎖緊銷固定螺栓 1.55 |
|
低壓鎖緊模塊 |
K5,K10,K20,K40-氣壓解鎖 1.56 |
K5,K10,K20,K40-氣壓解鎖,帶分度槽 1.56 |
|
螺紋式鎖緊模塊 |
K5-液壓解鎖 1.57 |
K5-氣壓解鎖 1.57 |
K10,K20,K40-液壓解鎖 1.58 |
K10,K20,K40-氣壓解鎖 1.58 |
|
臺面式鎖緊模塊 |
K5-液壓解鎖 1.59 |
K5-氣壓解鎖 1.59 |
K10,K20,K40-液壓解鎖 1.60 |
K10,K20,K40-氣壓解鎖 1.60 |
|
法蘭式鎖緊模塊 |
簡介 1.61 |
液壓解鎖 1.62 |
氣壓解鎖 1.62 |
|
夾緊模塊帶傳感器 1.63 |
|
手動式鎖緊模塊 1.63 |
|
|
|
|
|
|
|
Ball LockTM 球鎖快速裝夾系統 |
|
杰根斯球鎖快速裝夾系統(Ball Lock™), 主要應用于精密數控機床(VMC/HMC)上
。利用該系統,成套夾具的裝、卸時間可縮短至1分鐘,回復定位精度確保在+/-0.013mm以內。 |
|
安裝杰根斯球鎖系統,已有的夾具系統無需特別改動,即可成為快換式精密夾具,小批量訂單生產從此不再成問題。 |
|
球鎖裝夾系統操作簡易,無需特別培訓和維護。......更多詳細介紹 |
|
| |
| |
|
| |
|
| |
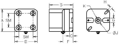
四腳氣動鎖緊模塊(K2) |
| |
|
| |
|
 |
| 杰根斯微型鎖緊模塊的緊湊設計是非常適用于有空間限制和需要準確、快速更換的加工當中。 |
|
|
 |
 |
- 材料:鋁
- 表面處理:陽極氧化
- 重復定位精度<0.02mm
|
|
|
| |
| 件號 |
尺寸系列 |
解鎖方式 |
下鎖力
kN |
抱緊力
kN |
A |
B |
C |
G |
H |
J |
K |
S |
SM |
重量 kgs |
| 533034 |
K2 |
氣動 |
4x0.235 |
4x6 |
96 |
96 |
15 |
20 |
8 |
25 |
M12 |
100 |
6 |
2.4 |
|
| |
|
| |
|
| |
|
| |
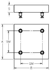
K2可加工底板 |
| |
|
| |
| 件號 |
尺寸系列 |
A |
B |
S |
SM |
重量 kgs |
| 533059 |
K2 |
96 |
96 |
20 |
60 |
0.53 |
|
| |
|
| |
|
| |
|
|