|
|
|
|
|
 |
|
球鎖快速裝夾系統 |
|
索引 |
總索引 1.1 |
球鎖系統目錄及索引 1.1 |
ZPS零點系列目錄及索引 1.49 |
|
球鎖系統介紹(公制) |
工作原理 1.4 |
圖解說明 1.5 |
簡介1 1.6 |
簡介2 1.7 |
常見問題解答1 1.8 |
常見問題解答2 1.9 |
|
球鎖基礎板 |
多工位基礎板1000x500 1.10 |
小型 1.11 |
|
球鎖夾具板 |
與基礎板配套的球鎖夾具板1 1.12 |
與基礎板配套的球鎖夾具板2 1.13 |
|
球鎖夾具立柱 |
T型夾具立柱 1.14 |
四面式夾具立柱 1.15 |
與立柱配套的基礎板和夾具板 1.16 |
|
定制您的球鎖系統組件 |
|
用于轉臺的球鎖系統 |
用于轉臺的球鎖系統 1.18 |
定制信息 1.19 |
|
球鎖軸 |
|
接受套&定位套 |
|
不銹鋼球鎖軸 |
|
不銹鋼接受套與定位套 |
|
附件 |
附件1 1.24 |
附件2 1.25 |
|
英制 |
|
多工位基礎板40x20 |
多工位基礎板40x20 1.26 |
配套夾具板 1.27 |
|
標準型基礎板 |
標準型基礎板 1.28 |
配套夾具板 1.29 |
|
QLS 夾具板 16x16 (英制) |
配置選項1 1.30 |
配置選項2 1.31 |
|
球鎖系統組件-可定制 |
|
球鎖式夾具立柱 |
T型夾具立柱 1.33 |
四面式夾具立柱 1.34 |
與夾具立柱配套的基礎板和夾具板 1.35 |
|
用于分度盤的球鎖系統 |
用于分度盤的球鎖系統 1.36 |
定制信息 1.37 |
|
球鎖軸 |
|
接受套&定位套 |
|
不銹鋼球鎖軸 |
|
不銹鋼接受套&定位套 |
|
附件 |
附件1 1.42 |
附件2 1.43 |
|
HAAS*機床專用的球鎖裝夾系統 |
|
Bock定位板系統 |
備注:手冊該頁為空白頁 1.46 |
|
ZPS零點系統簡介 |
簡介 1.47 |
應用場合 1.48 |
|
ZPS零點系統索引 |
|
ZPS零點系統特點 |
一步完成定位和鎖緊 1.50 |
有助于過程改進的八大特點 1.50 |
有助于過程改進的八大特點 1.51 |
|
安裝尺寸 |
定位與夾緊 1.52 |
鎖緊銷安裝孔的加工尺寸 1.52 |
|
基礎板套件 |
2單元鎖緊板 1.53 |
4單元鎖緊板 1.53 |
|
鎖緊銷 |
K5系列 1.54 |
K10系列 1.54 |
K20系列 1.54 |
K40系列 1.54 |
|
固定螺栓&螺母 |
鎖緊銷固定螺栓 1.55 |
鎖緊銷螺栓螺母 1.55 |
浮動鎖緊銷 1.55 |
鎖緊銷固定螺栓 1.55 |
|
低壓鎖緊模塊 |
K5,K10,K20,K40-氣壓解鎖 1.56 |
K5,K10,K20,K40-氣壓解鎖,帶分度槽 1.56 |
|
螺紋式鎖緊模塊 |
K5-液壓解鎖 1.57 |
K5-氣壓解鎖 1.57 |
K10,K20,K40-液壓解鎖 1.58 |
K10,K20,K40-氣壓解鎖 1.58 |
|
臺面式鎖緊模塊 |
K5-液壓解鎖 1.59 |
K5-氣壓解鎖 1.59 |
K10,K20,K40-液壓解鎖 1.60 |
K10,K20,K40-氣壓解鎖 1.60 |
|
法蘭式鎖緊模塊 |
簡介 1.61 |
液壓解鎖 1.62 |
氣壓解鎖 1.62 |
|
夾緊模塊帶傳感器 1.63 |
|
手動式鎖緊模塊 1.63 |
|
|
|
|
|
|
|
Ball LockTM 球鎖快速裝夾系統 |
|
杰根斯球鎖快速裝夾系統(Ball Lock™), 主要應用于精密數控機床(VMC/HMC)上
。利用該系統,成套夾具的裝、卸時間可縮短至1分鐘,回復定位精度確保在+/-0.013mm以內。 |
|
安裝杰根斯球鎖系統,已有的夾具系統無需特別改動,即可成為快換式精密夾具,小批量訂單生產從此不再成問題。 |
|
球鎖裝夾系統操作簡易,無需特別培訓和維護。......更多詳細介紹 |
|
| |
| |
|
| |
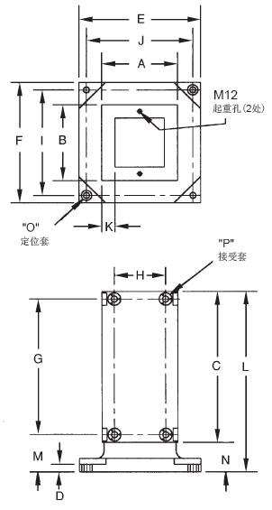
| 球鎖式四面體夾具立柱(公制) |
|
- 材料: 40級米漢納鑄鐵 (Meehanite Cast Iron)
- 另有鋁制型可供選擇
- 球瑣接受套和定位套已安裝
- 提供精密的數控加工中心夾具底板
- 垂直度為0.02mm每250mm(更高精度請咨詢杰根斯)
安裝了球鎖接受套的鑄鐵四面體夾具基座 |
|
 |
| |
件號 |
A |
B |
C |
D |
E |
F |
G |
H |
I |
J |
K |
L |
M |
N |
重量 (Kg) |
69051 |
250 |
250 |
505 |
25 |
400 |
400 |
450 |
150 |
350 |
350 |
40 |
600 |
125 |
95 |
225 |
69061 |
300 |
300 |
630 |
25 |
500 |
500 |
550 |
175 |
425 |
425 |
40 |
725 |
137.5 |
95 |
320 |
69071 |
400 |
400 |
655 |
40 |
630 |
630 |
575 |
275 |
525 |
525 |
45 |
750 |
137.5 |
95 |
495 |
|
| 續 |
|
件號 |
O |
P |
夾具板 件號 |
基礎板 件號 |
鋼制夾具板
件號 |
69051 |
20 |
20 |
58741 |
59102 |
58841 |
69061 |
25 |
25 |
58742 |
59103 |
58842 |
69071 |
35 |
25 |
58743 |
59104 |
58843 |
|
 |
可提供定制尺寸
如您需要特殊要求的立柱,無論帶有或不帶有球鎖配
件,我們都能夠為您提供報價。請撥打技術支持熱線
021-58356226
|
|
|
產品更新
在杰根斯,產品改進是一個不間斷的過程。
恕不通知將會變化的規格和技術數據。如果
現有資料對您的設計十分關鍵,我們建議您
與杰根斯的技術銷售部取得聯系,以審核其
尺寸和規格。 |
|
| |
|
|
| |
|
| |
|
上一頁 第1.15頁 下一頁 |
| |
|
|