| |
| 旋轉油缸 – 下法蘭/板式安裝 |
|

活塞右旋90°,但可訂購左旋型(件號后加"-LH")或無旋轉型(件號后加"-SP")。 |
 |
- 壓緊力范圍: 5.0 - 22.7 kN
- 安裝方式:板式安裝或標準管接安裝
- 可選單動式或雙動式
- 高度適應性的法蘭安裝設計
(油缸壓緊臂請另選購, 見下頁)
下法蘭安裝型旋轉油缸有多種安裝方式,如底部通孔安裝或頂板安裝 |
 |
規格 |
單動式 |
雙動式 |
60661 |
60663 |
60665 |
60671 |
60673 |
60675 |
最大輸出力(kN) |
5.0 |
11.8 |
22.7 |
5.0 |
11.8 |
22.7 |
總行程(mm) |
20.1 |
29.5 |
42.2 |
19.3 |
29.5 |
42.2 |
旋轉行程(mm) |
12.2 |
16.8 |
26.2 |
11.4 |
16.3 |
26.2 |
壓緊行程(mm) |
7.9 |
12.7 |
16.0 |
7.9 |
13.2 |
16.0 |
工作流量(壓緊, cm3) |
3.77 |
11.80 |
32.12 |
3.77 |
11.80 |
32.45 |
工作流量(松開, cm3) |
N/A |
N/A |
N/A |
7.54 |
23.43 |
65.55 |
最小工作壓強(bar) |
51.7 |
51.7 |
51.7 |
34.5 |
34.5 |
34.5 |
最大工作壓強(bar) |
345 |
345 |
345 |
345 |
345 |
345 |
有效活塞面積(cm2) |
1.94 |
4.00 |
7.61 |
1.94 |
4.00 |
7.61 |
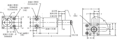
注意! 油缸壓緊臂旋轉時切勿使其接觸工件或夾具。
下法蘭安裝式 |
|
| |
提供CAD文件下載!
www.jergensinc.com |
| |
件號 |
件號 |
A |
B |
C |
D |
E |
F |
G |
H |
I |
J |
K |
L |
M |
N |
O |
P |
Q |
R |
S |
T |
60661 |
60671 |
38.1 |
15.8 |
7.1 |
16.0 |
61.0 |
31.8 |
134.4 |
63.5 |
19.1 |
14.2 |
50.8 |
25.4 |
20.6 |
25.1 |
14.2 |
14.2 |
28.7 |
16.8 |
3.5 |
3/8-24 X 5/8 |
60663 |
60673 |
47.5 |
22.2 |
8.6 |
16.0 |
80.8 |
31.8 |
172.2 |
76.2 |
23.9 |
17.5 |
63.5 |
31.8 |
25.4 |
30.7 |
19.1 |
19.1 |
31.8 |
25.4 |
5.0 |
1/2-20 X 3/4 |
60665 |
60675 |
63.5 |
31.7 |
10.4 |
18.8 |
111.5 |
38.1 |
237.2 |
86.1 |
32.3 |
23.9 |
79.2 |
39.6 |
31.8 |
- |
- |
19.1 |
35.1 |
35.1 |
5.0 |
5/8-18 X 1 |
| 板式安裝尺寸 - 下法蘭式 |
 |
單動
件號 |
雙動
件號 |
A |
B |
C |
D |
E |
F |
G |
60661 |
60671 |
39.1 |
1/4-20 |
14.2 |
25.1 |
20.6 |
28.7 |
14.3 |
60663 |
60673 |
48.8 |
5/16-18 |
17.5 |
30.7 |
25.4 |
31.8 |
19.1 |
60665 |
60675 |
64.8 |
3/8-16 |
23.9 |
- |
31.8 |
34.9 |
19.1 |
|
|