| |
強力自鎖油缸

規格
|
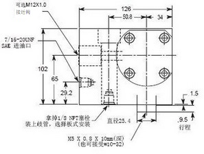
杰根斯強力自鎖油缸用在塑料成型和其他需要大壓力的作業上, 可提供127 kN (12.7噸)的壓緊力. 該裝置可單獨或成排地安裝在歧管上.
安裝方式:板式或接管式

|
件號 |
62806 |
工作體積(立方厘米) |
115 |
最小
工作壓強(bar) |
34.5 |
最大
工作壓強(bar) |
241.3 |
壓力壓強比 |
56.2:1 |
壓緊行程(mm) |
9.7 |
最大
輸出壓力(kN) |
124.5 |
重量(kg) |
19.50 |
|
|

注塑機上的典型自鎖式壓緊器歧管布局設計 |

|
 |
|
接近閥
接近閥指示壓緊器的活塞位置. 每個強力壓緊器都需要一個開關. 該產品為不銹鋼結構, 帶5米接線, 10-30 VDC. |
|