| |
| 管接式旋轉油缸 |
|
 |
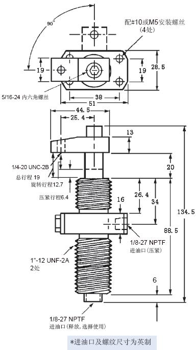
這些通用旋轉油缸/壓緊器可被用作單動或雙動旋轉油缸, 或者作為推/拉油缸. 旋轉油缸里的活塞右轉90°. 但要改為左轉90°也很容易, 甚至可改為完全不轉動. |
 |
重要提示:
所有旋轉油缸必須與限流閥(見第14或74頁)配合使用, 以緩和其旋轉動作.
請注意最大推薦流量. |
|
- 安裝油缸, 可用4個#10的內六角, 或利用油缸本身外徑上
尺寸為1"-12的螺紋安裝.
- 可選的零部件包括螺紋安裝支架及鎖緊螺母, 如下所示.
- 可作為非轉動壓緊器使用.
- 最大推薦流量為20立方英寸(325cm3)/分鐘/壓緊(約1秒鐘壓緊時間).
- 注: 壓緊臂長度影響壓緊力. 請參考第14頁圖表.
- 提供2D和3D格式的CAD文件下載
規格 |
60680 旋轉油缸 |
壓緊(拉) |
回程(推) |
工作流量(cm3) |
3 |
5.4 |
有效活塞面積(cm2) |
1.6 |
2.8 |
最小工作壓強(bar) |
10 |
- |
最大工作壓強(bar) |
210 |
210 |
最大輸出力(kN) |
3.3 |
6.0 |
行程(mm):全程 |
19 |
19 |
旋轉 |
12.7 |
12.7 |
壓緊 |
6.4 |
6.4 |
重量 (kg) |
0 .45 |
|
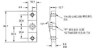
| 附件 |
|
| 壓緊雙臂 |
安裝基座 |

描述 |
件號 |
安裝基座 |
60953 |
六安角鎖緊螺母 |
60964 |
可選壓緊臂 |
60923 |
|
 |
|