標準油缸
雙動式 |
 |
|
| 雙動式油缸用于壓緊、夾持定位、沖壓等需要強壓力油缸的操作. 如果油缸安裝在夾具上 (而非安裝支架), 夾具對應的A尺寸的鉆孔公差應該在0.0127mm 0.0254mm之間, 這樣就可避免因缸體不圓而損壞活塞. 活塞可以氣壓或液壓壓緊和/或回復.
提供2D和3D格式的CAD文件下載 |
| 英制規格 |
件號 |
60345 |
60341 |
60350 |
60351 |
60360 |
60361 |
實際
行程(英寸) |
1 |
1 |
2 |
2 |
3 |
3 |
工作
流量(立方英寸) |
1.1 |
3.14 |
2.2 |
6.28 |
3.31 |
9.42 |
有效活塞 -推
面積(平方英寸) -拉 |
1.1
.912 |
3.14
2.699 |
1.1
.956 |
3.14
2.699 |
1.1
.956 |
3.14
2.699 |
最小
工作壓強(psi) |
20 |
20 |
20 |
20 |
20 |
20 |
最大
工作壓強(psi) |
3000 |
3000 |
3000 |
3000 |
3000 |
3000 |
最大
輸出力(磅) |
3300 |
9300 |
3300 |
9300 |
3300 |
9300 |
重量(磅) |
2.5 |
4.5 |
3.5 |
6.0 |
4.75 |
6.2 |
|
|
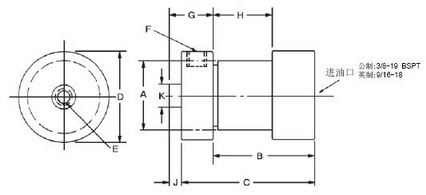
英制尺寸 |
件號 |
A |
B |
C |
D |
螺孔
E |
回復
進油口
F |
G |
H |
J |
K |
60345 |
1.500 |
2 7/16 |
3 1/8 |
2 15/32 |
3/8-16 x 3/4 |
7/16-20 |
31/32 |
1 9/32 |
1/4 |
1/2 |
60341 |
2.500 |
2 11/16 |
3 3/8 |
2 31/32 |
3/8-16 x 3/4 |
7/16-20 |
31/32 |
1 9/32 |
1/4 |
3/4 |
60350 |
1.500 |
3 1/2 |
4 1/2 |
2 15/32 |
1/4-20 x 1/2 |
9/16-18 |
1 7/32 |
2 11/32 |
1/4 |
7/16 |
60351 |
2.500 |
3 3/4 |
4 23/32 |
2 31/32 |
3/8-16 x 3/4 |
9/16-18 |
1 3/16 |
2 11/32 |
1/4 |
3/4 |
60360 |
1.500 |
4 1/2 |
5 1/2 |
2 15/32 |
1/4-20 x 1/2 |
9/16-18 |
1 7/32 |
3 11/32 |
1/4 |
7/16 |
60361 |
2.500 |
4 3/4 |
5 23/32 |
2 31/32 |
3/8-16 x 3/4 |
9/16-18 |
1 3/16 |
3 11/32 |
1/4 |
3/4 |
|