| |
|
| |
|
| |
五軸固定卡爪虎鉗 |
| |
為一次裝夾、多面加工而特別設計。對于模具加工等要求一次裝夾的復雜工件是理想的解決方案。
該產品外形小巧,但夾持能力強。
同時有多種卡爪可供選擇,這大大提高了虎鉗的應用范圍。嵌塊式卡爪和V形卡爪可以提高工件的固位力。液壓型可以實現自動化夾緊。
- 為5軸機械加工而設計
- 工件待加工面全部開放,可以使用標準短刀具。
- 結構簡單而堅固,表面平整,易于清理
- 也可做為標準設備上的模塊使用
- 多種卡爪可供選擇
|
 |
|
| |
|
| |
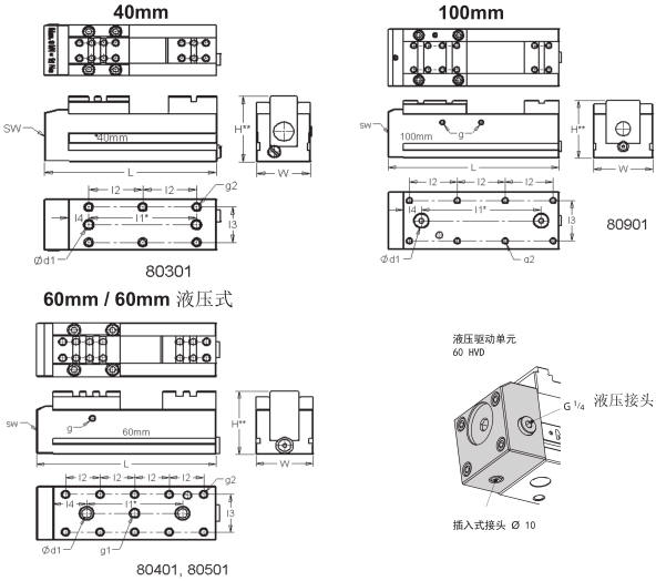
| 件號 |
尺寸 |
夾緊力
(kN/Nm) |
重量
(kg) |
尺寸(mm) |
六角尺寸
(mm) |
| 行程 |
L |
W |
H** |
d1 |
g |
g1 |
g2 |
l1** |
l2 |
l3 |
14* |
| 80301 |
40mm |
8.0 / 15 Nm |
1.3 |
- |
117 |
40 |
44 |
6H7 |
M5x6 |
- |
M6x7 |
80 |
40 |
28 |
15 |
6 |
| 80401 |
60mm |
15.0 / 25 Nm |
3.3 |
- |
168 |
60 |
57 |
10F7 |
M6x10 |
M10x11 |
M8x12 |
100 |
36 |
42 |
35 |
8 |
| 80501 |
60mm 液壓 |
15.0 / 260 bar |
3.8 |
4 |
185 |
60 |
57 |
10F7 |
M6x10 |
M10x11 |
M8x12 |
100 |
36 |
42 |
35 |
8 |
| 80901 |
100mm |
25 / 60Nm |
20 |
96 |
285 |
100 |
100 |
25x5/M10x14 |
M8 x 11 |
M8 x 11 |
M10 x 15 |
200 |
80 |
70 |
30 |
12 |
|
| |
| 注意: 每臺杰根斯5軸虎鉗都配有虎鉗手柄,不包含卡爪。 |
* 公差 ±0.01mm
** 公差 ±0.02mm |
|
| |
Kg x 2.205=lbs Nm x 8.85=in. lbs Kg x 2.205=Ibs Bar x 14.5=psi |
| |
 |
| |
|
| |
|
| |
|
| |
|
| |
|