| |
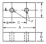
| 扣壓板墊板 - 鋼制, 塑料&銅制 |
|
 |
 |
- 材料:鋼, 低碳鋼, 塑料, 填紙酚醛塑料, 銅
- 表面處理: 黑色氧化(僅應用于鋼墊)
- 熱處理: 74-77 R30N 表面硬化(僅應用于鋼墊)
|
塑料墊板抗油污和切削液腐蝕, 能承受高壓緊力, 同時能防止軟質工件材料被刮傷和擦傷. |
鋼墊 |
塑料墊 |
銅墊 |
A |
B |
C |
D |
E |
F |
件 號 |
重量
(磅)
10件 |
件 號 |
重量
(磅)
10件 |
件 號 |
重量
(磅)
10件 |
17101 |
.05 |
17102 |
.02 |
17103 |
.06 |
5/8 |
9/64 |
11/32 |
1/8 |
1/4 |
5-40 |
17104 |
.16 |
17105 |
.03 |
17106 |
.18 |
7/8 |
3/16 |
1/2 |
3/16 |
3/8 |
8-32 |
17107 |
.40 |
17108 |
.08 |
17109 |
.43 |
1 1/4 |
5/16 |
5/8 |
1/4 |
1/2 |
10-24 |
17110 |
.90 |
17111 |
.16 |
17112 |
.93 |
1 1/2 |
3/8 |
3/4 |
3/8 |
5/8 |
1/4-20 |
17113 |
1.50 |
— |
— |
— |
— |
1 3/4 |
1/2 |
3/4 |
1/2 |
3/4 |
1/4-20 |
|
|
|
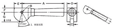
| 雙凸輪 |

鑄鐵熱處理, 提高抗磨損能力以增長使用壽命. 適用于快換壓緊操作要求, 同時提供比單凸輪更大的壓緊力.平均壓緊點壓力角度在3 1/2° 至4°之間 (如圖所示), 因此產生更強的夾緊力.
件 號 |
A |
B |
C |
D |
E |
F |
G |
L |
重量
(磅) |
18101 |
2 1/2 |
3/16 |
17/64 |
5/8 |
3/8 |
1/4 |
.437 |
.015 |
.14 |
18102 |
3 7/16 |
5/16 |
25/64 |
7/8 |
19/32 |
23/64 |
.679 |
.019 |
.34 |
18103 |
5 |
3/8 |
33/64 |
1 1/8 |
5/8 |
15/32 |
.755 |
.031 |
.83 |
18104 |
5 1/16 |
5/8 |
41/64 |
1 1/4 |
7/8 |
5/8 |
1.040 |
.043 |
1.00 |
|

手柄套上上塑料套管能增加扭矩. 塑料套管頭尾與手柄滑動配合.
- 表面處理: 黑色氧化
- 熱處理: 74-77 R30N 表面硬化
|
|
|
| 單凸輪 |
 |
 |
- 表面處理: 黑色氧化
- 材料: C-1018
- 熱處理: 表面硬化
|
件 號 |
A |
B |
C |
D |
E |
F |
G |
L |
重量
(磅) |
12101 |
2 3/8 |
5/32 |
3/16 |
3/8 |
3/16 |
- |
17/32 |
.015 |
0.62 |
12102 |
3 1/4 |
1/4 |
1/4 |
7/16 |
1/4 |
|
21/32 |
.022 |
1.40 |
12103 |
4 1/2 |
5/16 |
3/8 |
3/4 |
3/8 |
|
29/32 |
.031 |
4.00 |
12104 |
5 |
3/8 |
1/2 |
7/8 |
7/16 |
|
1 5/64 |
.031 |
6.90 |
|
|
|