| 球面法蘭螺母組件 |
|
|
 |
具有與球面墊圈相同優點, 但另加一個螺母替代墊圈頂部結構. 螺母的凸起底部沉入凹入部分, 以實現完全浮轉運動. |
件 號 |
A |
螺母
件號
B |
墊圈
件號
C |
重量
(磅)
10件 |
39301 |
10-24 |
39701 |
41301 |
.12 |
39302 |
1/4-20 |
39702 |
41302 |
.16 |
39303 |
5/16-18 |
39703 |
41303 |
.31 |
39304 |
3/8-16 |
39704 |
41304 |
.65 |
39305 |
1/2-13 |
39705 |
41305 |
1.45 |
39306 |
5/8-11 |
39706 |
41306 |
2.44 |
39307 |
3/4-10 |
39707 |
41307 |
4.10 |
39308 |
7/8-9 |
39708 |
41308 |
6.00 |
39309 |
1-8 |
39709 |
41309 |
8.10 |
39311 |
1 1/4-7 |
39711 |
41311 |
13.40 |
39312 |
1 1/2-6 |
39712 |
41312 |
15.70 |
|
 |
- 材料: 低碳鋼
- 表面處理: 黑色氧化
- 熱處理: 表面硬化
|
|
|
球面法蘭螺母組件
公制 |
 |
|
件 號 |
A |
對邊
寬度
B |
墊圈
件號
C |
重量
(千克)
10件 |
39352 |
M6 x 1.0 |
10 |
41302 |
.07 |
39353 |
M8 x 1.25 |
13 |
41303 |
.14 |
39354 |
M10 x 1.5 |
17 |
41304 |
.30 |
39355 |
M12 x 1.75 |
19 |
41305 |
.66 |
39356 |
M16 x 2.0 |
24 |
41306 |
1.10 |
39357 |
M20 x 2.5 |
30 |
41357 |
1.80 |
|
 |
- 材料: 低碳鋼
- 表面處理: 黑色氧化
- 熱處理: 表面硬化
|
|
|
| 重型六角螺母 |
|
|
 |

|
件 號 |
A |
B |
C |
重量
(磅)
100件 |
20711 |
1/4-20 |
7/16 |
7/32 |
.74 |
20712 |
5/16-18 |
1/2 |
17/64 |
1.10 |
20713 |
3/8-16 |
9/16 |
21/64 |
1.60 |
20714 |
1/2-13 |
3/4 |
7/16 |
3.75 |
20716 |
5/8-11 |
15/16 |
35/64 |
7.33 |
20717 |
3/4-10 |
1 1/8 |
41/64 |
11.90 |
20718 |
7/8-9 |
1 5/16 |
3/4 |
19.00 |
20719 |
1-8 |
1 1/2 |
55/64 |
28.30 |
|
|
|
|
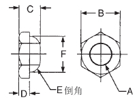
不銹鋼六角頭
平衡螺母 |
|
|
 |
 |
件 號 |
A |
B |
C |
D |
E |
F |
12311 |
10-32 |
7/16 |
5/16 |
5/32 |
1/8 |
3/8 |
12312 |
1/4-20 |
1/2 |
5/16 |
5/32 |
1/8 |
7/16 |
12313 |
5/16-18 |
9/16 |
5/16 |
5/32 |
1/8 |
1/2 |
12314 |
3/8-16 |
11/16 |
3/8 |
3/16 |
3/16 |
5/8 |
|
|
|