壓板組件
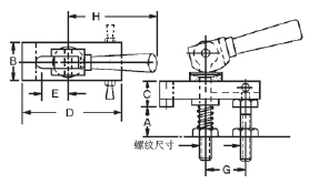
雙向凸輪壓板

|
 |
該型號的特點是安裝快速, 對要求快速移動和置于有限工作空間的平面工件提供輕型夾緊力. 放射狀銑槽允許90°回轉. 適用于放置和移動工件. 尾端長尺寸槽用于橫向調節. 帶彈簧的柱頭螺栓在穩定的雙向凸輪下. 提供保護工件的銅制和塑料墊板 (見P 5.7). |
件 號 |
A |
B |
C |
D |
E |
G* |
H |
螺紋
尺寸 |
重量
(磅) |
12501† |
5/8 |
5/8 |
1/2 |
2 |
5/8 |
7/8 |
2 1/2 |
1/4-20 |
.40 |
12502 |
1 5/16 |
1 1/4 |
7/8 |
3 1/2 |
1 1/8 |
1 7/16 |
3 7/16 |
3/8-16 |
1.50 |
12503 |
1 |
1 1/2 |
1 1/8 |
4 1/2 |
1 1/4 |
1 7/8 |
5 |
1/2-13 |
3.00 |
12504 |
2 1/8 |
1 3/4 |
1 3/8 |
5 |
1 1/2 |
1 15/16 |
5 1/16 |
5/8-11 |
4.70 |
*G 代表最佳尺寸.
+不含指旋柄. |
|
|
| 雙向凸輪壓板組件 (扣壓板前端弧面) |

與快動標準雙向凸輪壓板相似,但有弧面前端扣壓板.
|
  |
| |
件 號 |
A |
B |
C |
D |
E |
G* |
H |
螺紋
尺寸 |
重量
(磅) |
12511† |
3/4 |
5/8 |
3/8 |
2 |
5/8 |
7/8 |
2 1/2 |
1/4-20 |
0.35 |
12512† |
3/4 |
5/8 |
3/8 |
2 1/2 |
1 |
7/8 |
2 1/2 |
1/4-20 |
0.40 |
12513† |
1 1/8 |
7/8 |
1/2 |
2 1/2 |
3/4 |
1 1/4 |
3 7/16 |
5/16-18 |
1.25 |
12514† |
1 1/8 |
7/8 |
1/2 |
3 1/2 |
1 1/4 |
1 1/4 |
3 7/16 |
5/16-18 |
1.40 |
12515 |
1 1/2 |
1 1/4 |
5/8 |
3 1/2 |
1 1/8 |
1 7/16 |
3 7/16 |
3/8-16 |
1.50 |
12516 |
1 1/2 |
1 1/4 |
5/8 |
4 1/2 |
1 5/8 |
1 7/16 |
3 7/16 |
3/8-16 |
1.80 |
12517 |
1 3/8 |
1 1/2 |
3/4 |
4 1/2 |
1 1/4 |
1 7/8 |
5 |
1/2-13 |
3.00 |
12518 |
1 3/8 |
1 1/2 |
3/4 |
6 |
2 |
1 7/8 |
5 |
1/2-13 |
3.40 |
12519 |
1 5/8 |
1 3/4 |
7/8 |
5 |
1 1/2 |
1 15/16 |
5 1/16 |
5/8-11 |
4.70 |
*G 代表最佳尺寸.
+不含指旋柄. |
|
|
| 雙向凸輪壓板組件(扣壓板兩端弧面) |
 |
 |
 |
| 兩端都有弧面扣壓板的雙向凸輪壓板. |
件 號 |
A |
B |
C |
D |
E |
H |
螺紋
尺寸 |
重量
(磅) |
12523 |
1 3/8 |
1 1/2 |
3/4 |
4 |
1 1/4 |
5 |
1/2-13 |
2.50 |
12524 |
1 3/8 |
1 1/2 |
3/4 |
5 |
1 1/4 |
5 |
1/2-13 |
3.00 |
12526 |
1 5/8 |
1 5/8 |
7/8 |
6 |
1 1/2 |
5 1/16 |
5/8-11 |
5.30 |
|
|