 |
- 材料:螺柱體,Stressproof®
手輪, 鑄鐵
- 表面處理:螺柱體, 黑色氧化
手輪, 鍍鋅
- 熱處理: 2A-UNC
|
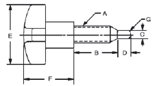
件 號 |
A |
B |
C |
D |
E |
F |
弧面
G |
重量
(磅)
10件 |
13901 |
1/4-20 |
3/4 |
11/64 |
1/4 |
1 1/8 |
7/8 |
1/8 |
.78 |
13902 |
5/16-18 |
1 1/16 |
7/32 |
5/16 |
1 1/2 |
1 |
1/4 |
1.57 |
13903 |
3/8-16 |
1 3/16 |
1/4 |
5/16 |
2 |
1 1/8 |
1/4 |
1.87 |
13904 |
1/2-13 |
1 5/8 |
3/8 |
3/8 |
2 1/2 |
1 1/2 |
3/8 |
4.00 |
13905 |
5/8-11 |
1 3/4 |
15/32 |
3/8 |
3 |
2 |
3/8 |
12.50 |
該產品設計適用的應用條件: 螺釘太輕, 而且需要一個更重更大的單件. 鑄鐵手輪, 直角端面螺釘. |