| |
| MicroTM 低位微型側壓板 |
|
 |
問題:
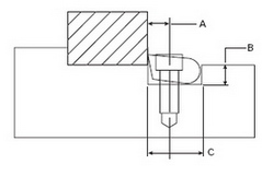
在生產實踐中, 您要一中設備, 它能夾緊在工件的低處, 而且要能提供足夠的垂直和水平方向的壓緊力, 還能安裝在夾具板面之下位置.
解決方案:
答案就是杰根斯的新型低位微型側壓板 |
材料:
- 材料可選工具鋼或銅
- 超強的垂直和水平方向壓緊力
- 更低的壓緊位置
- 更小的壓痕
- 高咬合力
- 可選3種英制或公制尺寸
- 銳邊或鈍邊型皆有
|
MicroTM 低位微型側壓板 |
件號 |
類型 |
A |
B |
C |
螺絲
尺寸 |
*最大
夾持力
(磅) |
行程
(英寸) |
扭矩
(英寸磅) |
D |
E |
13201 |
工具鋼,銳邊 |
.150 |
.140 |
.375 |
4-40 |
650 |
.0075 |
16 |
.075 |
.260 |
13202 |
工具鋼,銳邊 |
.150 |
.140 |
.375 |
4-40 |
650 |
.0075 |
16 |
.075 |
.260 |
13203 |
銅,銳邊 |
.150 |
.140 |
.375 |
4-40 |
200 |
.0075 |
5 |
.075 |
.220 |
13211 |
工具鋼,銳邊 |
.200 |
.187 |
.500 |
8-32 |
1500 |
.016 |
50 |
.100 |
.390 |
13212 |
工具鋼,銳邊 |
.200 |
.187 |
.500 |
8-32 |
1500 |
.016 |
50 |
.100 |
.390 |
13213 |
銅,銳邊 |
.200 |
.187 |
.500 |
8-32 |
400 |
.016 |
25 |
.100 |
.340 |
13221 |
工具鋼,銳邊 |
.300 |
.280 |
.750 |
1/4-20 |
3600 |
.024 |
200 |
.150 |
.570 |
13222 |
工具鋼,銳邊 |
.300 |
.280 |
.750 |
1/4-20 |
3600 |
.024 |
200 |
.150 |
.570 |
13223 |
銅,銳邊 |
.300 |
.280 |
.750 |
1/4-20 |
950 |
.024 |
50 |
.150 |
.440 |
13224 |
工具鋼,銳邊 |
.400 |
.450 |
1.000 |
3/8-16 x 1” |
6000 |
.050 |
360 |
.250 |
.710 |
13225 |
工具鋼,銳邊 |
.400 |
.450 |
1.000 |
3/8-16 x 1” |
6000 |
.050 |
360 |
.250 |
.710 |
13226 |
工具鋼,銳邊 |
.600 |
.640 |
1.500 |
1/2-13 x 1 1/4” |
12000 |
.075 |
1300 |
.375 |
.710 |
13227 |
工具鋼,銳邊 |
.600 |
.640 |
1.500 |
1/2-13 x 1 1/4” |
12000 |
.075 |
1300 |
.375 |
.710 |
|
* 垂直和水平方向壓緊合力.
公制 MicroTM 低位微型側壓板 |
 |
件號 |
類型 |
A |
B |
C |
螺絲
尺寸 |
*最大
夾持力
(磅) |
行程
(英寸) |
扭矩
(英寸磅) |
D |
E |
13251 |
工具鋼,銳邊 |
3.81 |
3.55 |
9.52 |
M2.5 x .45 |
2,800 |
.190 |
1.8 |
1.90 |
|
13252 |
工具鋼,鈍邊 |
3.81 |
3.55 |
9.52 |
M2.5 x .45 |
2,800 |
.190 |
1.8 |
1.90 |
|
13253 |
銅,鈍邊 |
3.81 |
3.55 |
9.52 |
M2.5 x .45 |
875 |
.190 |
5.6 |
1.90 |
|
13261 |
工具鋼,銳邊 |
5.08 |
4.75 |
12.70 |
M4 x .70 |
6,600 |
.406 |
5.6 |
2.54 |
|
13262 |
工具鋼,鈍邊 |
5.08 |
4.75 |
12.70 |
M4 x .70 |
6,600 |
.406 |
5.6 |
2.54 |
|
13263 |
銅,鈍邊 |
5.08 |
4.75 |
12.70 |
M4 x .70 |
1,750 |
.406 |
2.8 |
2.54 |
|
13271 |
工具鋼,銳邊 |
7.62 |
7.11 |
19.05 |
M6 x 1.0 |
16,000 |
.610 |
22.5 |
3.81 |
|
13272 |
工具鋼,鈍邊 |
7.62 |
7.11 |
19.05 |
M6 x 1.0 |
16,000 |
.610 |
22.5 |
3.81 |
|
13273 |
銅,鈍邊 |
7.62 |
7.11 |
19.05 |
M6 x 1.0 |
4,200 |
.610 |
5.6 |
3.81 |
|
13274 |
工具鋼,銳邊 |
10.16 |
11.43 |
25.40 |
M10 x 25 |
26,000 |
1.270 |
40.6 |
6.350 |
18.03 |
13275 |
工具鋼,鈍邊 |
10.16 |
11.43 |
25.40 |
M10 x 25 |
26,000 |
1.270 |
40.6 |
6.350 |
18.03 |
13276 |
工具鋼,銳邊 |
15.24 |
16.26 |
38.10 |
M12 x 30 |
50,000 |
1.900 |
145.0 |
9.520 |
19.56 |
13277 |
工具鋼,鈍邊 |
15.24 |
16.26 |
38.10 |
M12 x 30 |
50,000 |
1.900 |
145.0 |
9.520 |
19.56 |
|
|