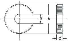
| “C” 形墊圈 |
|
 |
件 號 |
A |
B |
C |
重量
(磅) |
17701* |
3/4 |
9/32 |
1/4 |
.02 |
17702* |
1 |
9/32 |
1/4 |
.04 |
17703* |
1 1/4 |
9/32 |
1/4 |
.07 |
17704* |
1 1/4 |
13/32 |
3/8 |
.09 |
17705* |
1 1/2 |
13/32 |
3/8 |
.14 |
17706* |
1 3/4 |
13/32 |
3/8 |
.20 |
17707* |
1 7/8 |
17/32 |
3/8 |
.17 |
17708* |
2 1/4 |
17/32 |
3/8 |
.35 |
17709* |
2 1/8 |
21/32 |
3/8 |
.32 |
17710 |
2 1/2 |
21/32 |
3/8 |
.53 |
17711* |
2 1/2 |
25/32 |
7/16 |
.55 |
*符合TCMA |
| “C” 形墊圈外徑滾花,
兩面磨至平行. |
- 材料: 低碳鋼
- 表面處理: 黑色氧化
- 熱處理: 表面硬化
- 面: 兩面磨至平行
|
|
|
擺式“C”形平衡墊圈
不銹鋼型 |
|
 |
件 號 |
A |
B |
C |
D |
半徑 |
+.0000
-.0015
G |
+.0005
-.0000
H |
| E |
F |
12341 |
1 1/8 |
13/64 |
9/16 |
5/64 |
3/16 |
3/8 |
.1870 |
.1875 |
12342 |
1 1/4 |
17/64 |
5/8 |
3/32 |
3/16 |
7/16 |
.1870 |
.1875 |
12343 |
1 1/2 |
21/64 |
3/4 |
1/8 |
1/4 |
1/2 |
.2495 |
.250 |
12344 |
1 3/4 |
25/64 |
7/8 |
1/8 |
1/4 |
5/8 |
.2495 |
.250 |
|
|
|
“C”形平衡墊圈
不銹鋼型 |
|
|
 |
 |
件 號 |
A |
B |
C |
重量
磅 |
12331 |
3/4 |
7/32 |
3/16 |
.02 |
12332 |
7/8 |
9/32 |
3/16 |
.04 |
12333 |
1 |
11/32 |
1/4 |
.04 |
12334 |
1 1/4 |
13/32 |
5/16 |
.04 |
|
|