|
|
定位零部件 |
|
定位件是工裝夾具中重要的組成部分。在工裝夾具設計時,選擇正確的定位方案是保證工藝精度的關鍵。 正確的定位方案往往使工件裝夾和夾具制造變得容易而精確,有效地提高效率和降低制造成本。反之,工裝夾具可能變得極其復雜而昂貴,裝夾也異常困難,而且精度難以達到預期要求。 |
杰根斯既有傳統的定位零部件,諸如精密定位銷、導銷、支撐件,也有一系列獨特的產品,諸如機械式輔助支撐 (浮動支撐),膨脹式T槽定位鍵,自定心精密脹緊銷,以及測量球,等等。 |
| 杰根斯提供的不只是產品,更是工裝夾具經驗和較佳的方案。 |
| |
|
| |
|
| |
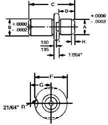
定位銷-滑動配合 |
| 圓柱形 |
| |


- 材料: 低碳鋼
- 熱處理: 滲碳硬化至 74-77 R30N
- 提供CAD圖形文件
|
|
件號 |
A |
B |
C |
D |
F |
G |
H |
重量
(1bs)
10件 |
|
圓柱形 |
|
29101* |
.1245 |
5/16 |
1 3/16 |
7/16 |
5/8 |
33/64 |
1/32 |
.31 |
|
29102 |
.1401 |
5/16 |
1 3/16 |
7/16 |
5/8 |
33/64 |
1/32 |
.31 |
|
29103* |
.1558 |
5/16 |
1 3/16 |
7/16 |
5/8 |
33/64 |
3/64 |
.31 |
|
29104 |
.1714 |
5/16 |
1 3/16 |
7/16 |
5/8 |
33/64 |
3/64 |
.31 |
|
29105* |
.1870 |
5/16 |
1 3/16 |
7/16 |
5/8 |
33/64 |
1/16 |
.31 |
|
29106 |
.2026 |
5/16 |
1 3/16 |
7/16 |
5/8 |
33/64 |
1/16 |
.31 |
|
29107* |
.2183 |
5/16 |
1 3/16 |
7/16 |
5/8 |
33/64 |
5/64 |
.31 |
|
29108 |
.2339 |
5/16 |
1 3/16 |
7/16 |
5/8 |
33/64 |
3/32 |
.31 |
|
29109* |
.2495 |
5/16 |
1 3/16 |
7/16 |
5/8 |
33/64 |
3/32 |
.31 |
|
29110 |
.2651 |
5/16 |
1 3/16 |
7/16 |
5/8 |
33/64 |
3/32 |
.31 |
|
29111* |
.2808 |
5/16 |
1 3/16 |
7/16 |
5/8 |
33/64 |
3/32 |
.36 |
|
29112 |
.2964 |
5/16 |
1 3/16 |
7/16 |
5/8 |
33/64 |
3/32 |
.36 |
|
29113* |
.3120 |
5/16 |
1 3/16 |
7/16 |
5/8 |
33/64 |
3/32 |
.36 |
|
29114* |
.3115 |
1/2 |
1 1/2 |
1/2 |
7/8 |
41/64 |
1/8 |
.90 |
|
29115 |
.3271 |
1/2 |
1 1/2 |
1/2 |
7/8 |
41/64 |
1/8 |
.90 |
|
29116* |
.3428 |
1/2 |
1 1/2 |
1/2 |
7/8 |
41/64 |
1/8 |
.90 |
|
29117 |
.3584 |
1/2 |
1 1/2 |
1/2 |
7/8 |
41/64 |
1/8 |
.90 |
|
29118* |
.3740 |
1/2 |
1 1/2 |
1/2 |
7/8 |
41/64 |
1/8 |
.90 |
|
29119 |
.3896 |
1/2 |
1 1/2 |
1/2 |
7/8 |
41/64 |
1/8 |
.90 |
|
29120* |
.4053 |
1/2 |
1 1/2 |
1/2 |
7/8 |
41/64 |
1/8 |
.90 |
|
29121 |
.4209 |
1/2 |
1 1/2 |
1/2 |
7/8 |
41/64 |
1/8 |
.90 |
|
29122* |
.4365 |
1/2 |
1 1/2 |
1/2 |
7/8 |
41/64 |
1/8 |
.90 |
|
29123 |
.4521 |
1/2 |
1 1/2 |
1/2 |
7/8 |
41/64 |
1/8 |
.95 |
|
29124* |
.4678 |
1/2 |
1 1/2 |
1/2 |
7/8 |
41/64 |
1/8 |
.95 |
|
29125 |
.4834 |
1/2 |
1 1/2 |
1/2 |
7/8 |
41/64 |
1/8 |
1.00 |
|
29126* |
.4990 |
1/2 |
1 1/2 |
1/2 |
7/8 |
41/64 |
1/8 |
1.00 |
|
29127* |
.4980 |
3/4 |
1 15/16 |
11/16 |
1 1/8 |
49/64 |
3/16 |
2.0 |
|
29128* |
.5293 |
3/4 |
1 15/16 |
11/16 |
1 1/8 |
49/64 |
3/16 |
2.0 |
|
29129* |
.5605 |
3/4 |
1 15/16 |
11/16 |
1 1/8 |
49/64 |
3/16 |
2.5 |
|
29130* |
.5918 |
3/4 |
1 15/16 |
11/16 |
1 1/8 |
49/64 |
3/16 |
2.5 |
|
29131* |
.6230 |
3/4 |
1 15/16 |
11/16 |
1 1/8 |
49/64 |
3/16 |
2.5 |
|
29132* |
.6543 |
3/4 |
1 15/16 |
11/16 |
1 1/8 |
49/64 |
3/16 |
2.5 |
|
29133* |
.6855 |
3/4 |
1 15/16 |
11/16 |
1 1/8 |
49/64 |
3/16 |
2.5 |
|
29134* |
.7168 |
3/4 |
1 15/16 |
11/16 |
1 1/8 |
49/64 |
3/16 |
2.5 |
|
29135* |
.7480 |
3/4 |
1 15/16 |
11/16 |
1 1/8 |
49/64 |
3/16 |
2.5 |
|
29136* |
.7480 |
1 |
2 5/8 |
1 |
1 1/2 |
61/64 |
9/32 |
5.0 |
|
29137* |
.7793 |
1 |
2 5/8 |
1 |
1 1/2 |
61/64 |
9/32 |
5.0 |
|
29138* |
.8105 |
1 |
2 5/8 |
1 |
1 1/2 |
61/64 |
9/32 |
5.0 |
|
29139* |
.8418 |
1 |
2 5/8 |
1 |
1 1/2 |
61/64 |
9/32 |
5.0 |
|
29140* |
.8730 |
1 |
2 5/8 |
1 |
1 1/2 |
61/64 |
9/32 |
5.0 |
|
29141* |
.9043 |
1 |
2 5/8 |
1 |
1 1/2 |
61/64 |
9/32 |
5.0 |
|
29142* |
.9355 |
1 |
2 5/8 |
1 |
1 1/2 |
61/64 |
9/32 |
5.0 |
|
29143* |
.9668 |
1 |
2 5/8 |
1 |
1 1/2 |
61/64 |
9/32 |
5.0 |
|
29144* |
.9980 |
1 |
2 5/8 |
1 |
1 1/2 |
61/64 |
9/32 |
5.0 |
*符合TCMA標準
定位套和固定螺絲見2.24頁
|
|
|
|
|
|
| |
|
|