|
|
定位零部件 |
|
定位件是工裝夾具中重要的組成部分。在工裝夾具設計時,選擇正確的定位方案是保證工藝精度的關鍵。 正確的定位方案往往使工件裝夾和夾具制造變得容易而精確,有效地提高效率和降低制造成本。反之,工裝夾具可能變得極其復雜而昂貴,裝夾也異常困難,而且精度難以達到預期要求。 |
杰根斯既有傳統的定位零部件,諸如精密定位銷、導銷、支撐件,也有一系列獨特的產品,諸如機械式輔助支撐 (浮動支撐),膨脹式T槽定位鍵,自定心精密脹緊銷,以及測量球,等等。 |
| 杰根斯提供的不只是產品,更是工裝夾具經驗和較佳的方案。 |
| |
|
| |
|
| |
| 夾具墊腳 |
|
|
|
- 材料: 低碳鋼
- 表面處理: 黑色氧化
- 含內六角安裝螺釘
- 熱處理:表面滲碳硬化 75-77 R30N
- 提供CAD圖形文件
|
| 杰根斯產品特點: |
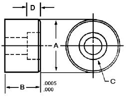
| 在確保B尺寸的公差精度的前提下,更換支撐墊時, 重復定位公差可維持在0.0005"(0.013mm)以內。 |
|
 |
|
件號 |
A |
+.0005
-.000
B |
平頭六角螺釘
C |
D |
重量
(1bs)
10件 |
|
25701* |
5/8 |
3/8 |
1/4-20 x 3/8 |
9/32 |
.31 |
|
25702* |
5/8 |
1/2 |
1/4-20 x 1/2 |
9/32 |
.31 |
|
25703* |
5/8 |
5/8 |
1/4-20 x 5/8 |
9/32 |
.47 |
|
25704* |
5/8 |
3/4 |
1/4-20 x 3/4 |
9/32 |
.55 |
|
25705 |
5/8 |
7/8 |
1/4-20 x 7/8 |
9/32 |
.62 |
|
25706 |
5/8 |
1 |
1/4-20 x 1 |
9/32 |
.78 |
|
25707* |
7/8 |
1/2 |
5/16-18 x 1/2 |
11/32 |
.78 |
|
25708* |
7/8 |
5/8 |
5/16-18 x 5/8 |
11/32 |
.94 |
|
25709* |
7/8 |
3/4 |
5/16-18 x 3/4 |
11/32 |
1.03 |
|
25710 |
7/8 |
7/8 |
5/16-18 x 7/8 |
11/32 |
1.12 |
|
25711* |
7/8 |
1 |
5/16-18 x 1 |
11/32 |
1.15 |
|
25712 |
7/8 |
1 1/8 |
5/16-18 x 1 1/4 |
11/32 |
1.17 |
|
25713 |
7/8 |
3/4 |
3/8-16 x 3/4 |
13/32 |
1.11 |
|
25714* |
1 1/4 |
3/4 |
3/8-16 x 3/4 |
13/32 |
2.50 |
|
25715 |
1 1/4 |
7/8 |
3/8-16 x 7/8 |
13/32 |
2.70 |
|
25716* |
1 1/4 |
1 |
3/8-16 x 1 |
13/32 |
3.30 |
|
25717* |
1 1/4 |
1 1/2 |
3/8-16 x 1 1/2 |
13/32 |
5.00 |
|
25718 |
1 1/4 |
2 |
3/8-16 x 2 |
13/32 |
6.60 |
|
25719 |
1 5/8 |
1 1/4 |
1/2-13 x 1 1/2 |
17/32 |
7.00 |
|
25720 |
1 5/8 |
1 3/4 |
1/2-13 x 1 3/4 |
17/32 |
9.80 |
|
25721 |
1 5/8 |
2 1/4 |
1/2-13 x 2 1/2 |
17/32 |
13.75 |
*符合TCMA標準 |
|
| 夾具墊腳 - 公制 |
|
|
 |
|
件號 |
A |
+.013
-.000
B |
平頭六角螺釘
C |
D |
|
25751 |
16 |
10 |
M6 x 10 |
7 |
|
25752 |
16 |
12 |
M6 x 12 |
7 |
|
25754 |
16 |
20 |
M6 x 20 |
7 |
|
25757 |
22 |
12 |
M8 x 12 |
9 |
|
25759 |
22 |
20 |
M8 x 20 |
9 |
|
25761 |
22 |
24 |
M8 x 25 |
9 |
|
25766 |
32 |
24 |
M10 x 25 |
11 |
|
|
| |
|
| |
|
|