|
|
定位零部件 |
|
定位件是工裝夾具中重要的組成部分。在工裝夾具設計時,選擇正確的定位方案是保證工藝精度的關鍵。 正確的定位方案往往使工件裝夾和夾具制造變得容易而精確,有效地提高效率和降低制造成本。反之,工裝夾具可能變得極其復雜而昂貴,裝夾也異常困難,而且精度難以達到預期要求。 |
杰根斯既有傳統(tǒng)的定位零部件,諸如精密定位銷、導銷、支撐件,也有一系列獨特的產品,諸如機械式輔助支撐 (浮動支撐),膨脹式T槽定位鍵,自定心精密脹緊銷,以及測量球,等等。 |
| 杰根斯提供的不只是產品,更是工裝夾具經驗和較佳的方案。 |
| |
|
| |
|
| |
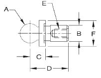
精密短軸檢測球 |
|
 |
 |
件號 |
+0.0000
-0.0002
A |
+0.0000
-0.0002
B |
+/-0.0002
C |
D |
螺紋
E |
直徑
F |
凈重
(磅)
10件 |
29060 |
0.2500 |
0.1247 |
0.2000 |
0.58 |
|
1/4 |
.1 |
29061 |
0.3750 |
0.1872 |
0.3000 |
0.75 |
|
3/8 |
.1 |
29062 |
0.3750 |
0.3125 |
0.3000 |
0.74 |
8-32 |
1/2 |
.3 |
29063 |
0.5000 |
0.2497 |
0.3125 |
0.63 |
6-32 |
1/2 |
.3 |
29064 |
0.5000 |
0.2497 |
0.4000 |
0.93 |
6-32 |
1/2 |
.3 |
29065 |
0.5000 |
0.2497 |
0.5000 |
0.88 |
6-32 |
1/2 |
.3 |
29066 |
0.5000 |
0.3750 |
0.3750 |
1.31 |
10-24 |
5/8 |
.6 |
29067 |
0.6250 |
0.3122 |
0.4500 |
1.08 |
8-32 |
5/8 |
.6 |
29068 |
0.6250 |
0.3750 |
0.4500 |
1.42 |
10-24 |
5/8 |
.7 |
29069 |
0.6875 |
0.3750 |
0.5000 |
1.47 |
10-24 |
3/4 |
.9 |
29070 |
0.7500 |
0.3750 |
0.5625 |
1.53 |
10-24 |
3/4 |
1.3 |
29071 |
1.0000 |
0.5000 |
0.7000 |
1.64 |
10-24 |
1 |
2.5 |
|
- 材料: 8620 鋼
- 表面硬化處理
- 與坐標測量機一起使用, 作為檢測應用的參照點,精確測量工件
- 球對軸偏心誤差不超過0.0001英寸.
- 單件構造
|
|
|
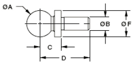
精確滑動配合型
  |
- 與坐標測量機一起使用, 作為檢測應用的參照點, 精確測量工件
- 球對軸偏心誤差不超過0.0002英寸.
- 淬火精磨鋼 (440 不銹鋼)
- 雙件構造
件號 |
+/-0.0005
A |
+0.0000
-0.0002
B |
+/-.0002
C |
D |
直徑
F |
凈重
(磅)
10件 |
29075 |
0.25000 |
0.1247 |
0.2000 |
9/16 |
1/4 |
.1 |
29076 |
0.37500 |
0.1872 |
0.3000 |
3/ 4 |
3/8 |
.1 |
29077 |
0.50000 |
0.2497 |
0.4000 |
15/16 |
1/2 |
.3 |
29078 |
0.62500 |
0.3122 |
0.4500 |
1 1/16 |
5/8 |
.6 |
29079 |
0.75000 |
0.3747 |
0.5000 |
1 1/ 4 |
3/4 |
1.0 |
29080 |
0.87500 |
0.4372 |
0.6000 |
1 7/16 |
3/4 |
.7 |
29081 |
1.00000 |
0.4997 |
0.7000 |
1 5/ 8 |
1 |
2.4 |
|
|
|
帶肩緊配合型 |
|
 |
- 單件構造
- 精密公差—0.0002英寸同心度
- 8620 鋼,淬火硬化至 Rc58-62
- 提供產品CAD圖形文件
|
| 滑動配合型 |
件號 |
±.0002
A |
+.0000
-.0004
B |
±.0002
C |
D |
凈重
(磅)
10件 |
直徑
F |
29041 |
.2500 |
.1250 |
.2000 |
9/16 |
.1 |
1/4 |
29042 |
.3750 |
.1875 |
.3000 |
3/ 4 |
.1 |
3/8 |
29043 |
.5000 |
.2500 |
.4000 |
15/16 |
.3 |
1/2 |
29044 |
.5000 |
.2500 |
.5000 |
1 3/ 8 |
.4 |
1/2 |
29045 |
.7500 |
.3750 |
.5000 |
1 1/ 4 |
1.0 |
3/4 |
壓緊配合型 |
件號 |
-.0002
Dia
A |
+.0003
-.000
B |
+.0002
C |
D |
凈重
(磅)
1 0件 |
直徑
F |
29085 |
0.2500 |
.1253 |
.2000 |
9/16 |
.1 |
1/4 |
29086 |
0.3750 |
.1878 |
.3000 |
3/ 4 |
.1 |
3/8 |
29087 |
0.5000 |
.2503 |
.4000 |
15/16 |
.3 |
1/2 |
29088 |
0.5000 |
.2503 |
.5000 |
1 3/ 8 |
.4 |
1/2 |
29089 |
0.7500 |
.3753 |
.5000 |
1 1/ 4 |
1.0 |
3/4 |
|
|
 |
|
|
| |
|
|
| |
|
| |
|
|