|
|
定位零部件 |
|
定位件是工裝夾具中重要的組成部分。在工裝夾具設計時,選擇正確的定位方案是保證工藝精度的關鍵。 正確的定位方案往往使工件裝夾和夾具制造變得容易而精確,有效地提高效率和降低制造成本。反之,工裝夾具可能變得極其復雜而昂貴,裝夾也異常困難,而且精度難以達到預期要求。 |
杰根斯既有傳統的定位零部件,諸如精密定位銷、導銷、支撐件,也有一系列獨特的產品,諸如機械式輔助支撐 (浮動支撐),膨脹式T槽定位鍵,自定心精密脹緊銷,以及測量球,等等。 |
| 杰根斯提供的不只是產品,更是工裝夾具經驗和較佳的方案。 |
| |
|
| |
|
| |
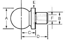
單件整體結構 |
|
 |
- 單件構造
- 精密公差—0.0002英寸同心度
- 8620 鋼, 淬火硬化至 Rc58-62
- 提供產品CAD圖形文件
|
 |
英制 |
| 件號 |
±.0002
A |
+.000
-.0004
B |
±.0002
C |
D |
直徑
E |
F |
凈重
(磅)
10件 |
| 29051 |
.5000 |
.2500 |
.3125 |
5/8 |
.490 |
6-32 x 1/4 |
.3 |
| 29052 |
.5000 |
.2500 |
.3125 |
5/8 |
.490 |
無孔 |
.3 |
|
| 公制 |
件號 |
±
.005mm
A |
+000/-
.010mm
B |
±
.005mm
C |
D |
直徑
E |
凈重
(磅)
10件 |
F |
29090 |
6mm |
3mm |
6mm |
16mm |
6mm |
.1 |
無孔 |
29091 |
10mm |
5mm |
10mm |
20mm |
10mm |
.3 |
無孔 |
29092 |
12mm |
6mm |
12mm |
22mm |
12mm |
.3 |
無孔 |
|
|
|
測量球
標準型 |
|
  |
- 單件構造
- 精密公差—0.0002英寸同心度
- 8620 鋼, 淬火硬化至 Rc58-62
- 提供產品CAD圖形文件
件號 |
±.0002
A |
+000
-.0004
B |
D |
凈重
(磅)
10件 |
29031 |
.2500 |
.1250 |
9/16 |
.1 |
29032 |
.3750 |
.1875 |
3/ 4 |
.1 |
29033 |
.5000 |
.2500 |
15/16 |
.3 |
29034 |
.5000 |
.2500 |
1 1/ 2 |
.3 |
29035 |
.5000 |
.3750 |
1 1/ 2 |
.8 |
|
|
|
| 合金鋼型 |
|
|
 |
 |
- 與坐標測量機一起使用, 作為檢測應用的參照點, 精確測量工件
- 軸和球同心度公差不超過0.0002英寸.
- 淬火精磨鋼 ( 440 不銹鋼)
- 材料:球 - 碳鋼
軸 - 不銹鋼440
- 雙件構造
- 每100件重量低于1磅
|
|
|
| 保護罩 |
|
|
 |
|
- 可直接使用兩個M4螺絲
- 最大合適測量球尺寸為3/4”
| 件 號 |
孔 距 |
孔 徑 |
總 高 |
29049 |
1.875 |
7/32 |
1.590 |
|
|
|
| |
|
|
| |
|
| |
|
|