|
|
彈簧柱塞及擋銷(彈頂銷) |
|
與傳統的螺紋體彈簧柱塞不同, 杰根斯的Solid Drive®型彈簧柱塞是鋼制一體式結構: 內六角孔, 銷頂及柱塞體為一個整體。彈簧和尾部的固定螺絲不會從柱塞里掉出, 也不用特殊工具來拆卸。最大的好處是, 當調整Solid Drive®型彈簧柱塞時,整個彈簧柱塞整體轉動, 而不僅是單單一個螺絲。 --更多詳細介紹(4.2) |
|
|
|
| |
|
| |
|
| |
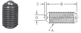
| 球頭柱塞 - 公制 |
|
|
 |
- 主體材料: 低碳鋼或303不銹鋼
- 球頭材料: 440 不銹鋼
- 彈簧材料: 17-7 PH
- 表面處理: 柱塞體表面黑色氧化
- 螺紋等級: 6g
- 提供2D和3D格式的CAD圖形文件下載
|
重要: 當插入帶鎖緊元件的SOLID DRIVE柱塞時, 攻絲螺孔的孔徑應該比柱塞的主體尺寸至少大0.76到1.14毫米,以使柱塞更易擰入 |
| 帶鎖緊元件 |
不帶鎖緊元件 |
不銹鋼
件號 |
碳鋼
件號 |
螺紋尺寸
A |
初始彈力
kg |
末端彈力
kg |
B |
C |
D |
11051 |
10971 |
M 4x 0.7 |
0.23 |
0.56 |
9.00 |
0.60 |
2.38 |
11052 |
10972 |
M 5x 0.8 |
0.23 |
0.68 |
13.00 |
0.60 |
2.38 |
11053 |
10973 |
M 5x 0.8 |
0.68 |
1.35 |
13.00 |
0.60 |
2.38 |
11054 |
10974 |
M 5x 0.8 |
0.90 |
2.25 |
13.00 |
0.60 |
2.38 |
11055 |
10975 |
M 6x 1.0 |
0.90 |
1.80 |
13.50 |
0.90 |
3.18 |
11056 |
10976 |
M 6x 1.0 |
1.35 |
3.15 |
13.50 |
0.90 |
3.18 |
11057 |
10977 |
M 6x 1.0 |
1.80 |
5.40 |
13.50 |
0.90 |
3.18 |
11058 |
10978 |
M 8x1.25 |
0.90 |
2.03 |
15.00 |
1.00 |
3.97 |
11059 |
10979 |
M 8x1.25 |
1.80 |
4.05 |
15.00 |
1.00 |
3.97 |
11060 |
10980 |
M 8x1.25 |
2.70 |
7.65 |
15.00 |
1.00 |
3.97 |
11061 |
10981 |
M10x 1.5 |
1.13 |
2.25 |
16.00 |
1.20 |
4.76 |
11062 |
10982 |
M10x 1.5 |
2.25 |
4.50 |
16.00 |
1.20 |
4.76 |
11063 |
10983 |
M10x 1.5 |
2.70 |
9.45 |
16.00 |
1.20 |
4.76 |
11064 |
10984 |
M12x1.75 |
1.35 |
2.70 |
19.00 |
2.00 |
7.14 |
11065 |
10985 |
M12x1.75 |
2.70 |
5.40 |
19.00 |
2.00 |
7.14 |
11066 |
10986 |
M12x1.75 |
2.70 |
13.50 |
19.00 |
2.00 |
7.14 |
11067 |
10987 |
M16x 2.0 |
2.00 |
4.00 |
25.40 |
2.40 |
9.50 |
11068 |
10988 |
M16x 2.0 |
4.00 |
8.10 |
25.40 |
2.40 |
9.50 |
11069 |
10989 |
M16x 2.0 |
3.10 |
22.70 |
25.40 |
2.40 |
9.50 |
|
不銹鋼
件號 |
碳鋼
件號 |
10951 |
10871 |
10952 |
10872 |
10953 |
10873 |
10954 |
10874 |
10955 |
10875 |
10956 |
10876 |
10957 |
10877 |
10958 |
10878 |
10959 |
10879 |
10960 |
10880 |
10961 |
10881 |
10962 |
10882 |
10963 |
10883 |
10964 |
10884 |
10965 |
10885 |
10966 |
10886 |
10967 |
10887 |
10968 |
10888 |
10969 |
10889 |
|
|
|
|
| 壓入式柱塞 |
|

- 柱塞體材料: 低碳鋼或303不銹鋼
- 柱塞球頭材料: 400 不銹鋼
- 彈簧材料: 17-7 不銹鋼
- 表面處理: 柱塞體表面黑色氧化
|
重型 |
碳鋼
件號 |
不銹鋼
件號 |
彈力(磅) |
A |
B |
C |
球頭
直徑
D |
E |
F |
初始 |
末端 |
10832 |
11032 |
2 |
5 |
.188 |
.405 |
.058 |
.156 |
.250 |
.035 |
10834 |
11034 |
3 |
7 |
.250 |
.481 |
.070 |
.187 |
.312 |
.044 |
10836 |
11036 |
5 |
14 |
.375 |
.785 |
.110 |
.312 |
.500 |
.078 |
10838 |
11038 |
8 |
18 |
.500 |
1.130 |
.161 |
.437 |
.688 |
.088 |
|
| 輕型 |
碳鋼
件號 |
不銹鋼
件號 |
彈力(磅) |
A |
B |
C |
球頭
直徑
D |
E |
F |
初始 |
末端 |
10831 |
11031 |
1 |
2.5 |
.188 |
.405 |
.058 |
.156 |
.250 |
.035 |
10833 |
11033 |
1.5 |
3.5 |
.250 |
.481 |
.070 |
.187 |
.312 |
.044 |
10835 |
11035 |
2.5 |
7 |
.375 |
.785 |
.110 |
.312 |
.500 |
.078 |
10837 |
11037 |
4 |
9 |
.500 |
1.130 |
.161 |
.437 |
.688 |
.088 |
|
|
|
| |
|
| |
|
上一頁 第4.11頁 下一頁 |
| |
|
|