|
|
彈簧柱塞及擋銷(彈頂銷) |
|
與傳統的螺紋體彈簧柱塞不同, 杰根斯的Solid Drive®型彈簧柱塞是鋼制一體式結構: 內六角孔, 銷頂及柱塞體為一個整體。彈簧和尾部的固定螺絲不會從柱塞里掉出, 也不用特殊工具來拆卸。最大的好處是, 當調整Solid Drive®型彈簧柱塞時,整個彈簧柱塞整體轉動, 而不僅是單單一個螺絲。 --更多詳細介紹(4.2) |
|
|
|
| |
|
| |
|
| |
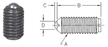
| 球頭柱塞 - 英制 |
|
|
 |
- 主體材料: 低碳鋼或303不銹鋼
- 球頭材料: 440 不銹鋼
- 彈簧材料: 17-7 PH
- 表面處理: 柱塞體表面黑色氧化
- 螺紋等級: 2A-UNC
- 符合TCMA標準
- 提供2D和3D格式的CAD圖形文件下載
|
重要: 當插入帶鎖緊元件的SOLID
DRIVE柱塞時, 攻絲螺孔的孔徑應該比柱塞的主體尺寸至少大0.030到0.045英寸, 以使柱塞更易擰入。 |
| 帶鎖緊元件 |
不帶鎖緊元件 |
不銹鋼
件號 |
碳鋼
件號 |
螺紋尺寸
A |
初始彈力
lbs. |
末端彈力
lbs. |
B |
C |
D |
11102 |
10927 |
5-40 |
0.25 |
0.75 |
1/ 4 |
0.020 |
0.062 |
| 11201 |
10701 |
10-24 |
0.5 |
1.5 |
33/64 |
0.025 |
0.09 |
| 11211 |
10711 |
10-24 |
1.5 |
3.0 |
33/64 |
0.025 |
0.093 |
| 11202 |
10702 |
10-24 |
2.0 |
5.0 |
33/64 |
0.025 |
0.093 |
11108 |
10904 |
1/ 4-20 |
2.00 |
4.00 |
17/32 |
0.035 |
0.125 |
11109 |
10905 |
1/ 4-20 |
3.00 |
7.00 |
17/32 |
0.035 |
0.125 |
11110 |
10906 |
1/ 4-20 |
4.00 |
12.00 |
17/32 |
0.035 |
0.125 |
11111 |
10907 |
5/16-18 |
2.00 |
4.50 |
37/64 |
0.040 |
0.156 |
11112 |
10908 |
5/16-18 |
4.00 |
9.00 |
37/64 |
0.040 |
0.156 |
11113 |
10909 |
5/16-18 |
6.00 |
17.00 |
37/64 |
0.040 |
0.156 |
11114 |
10910 |
3/ 8-16 |
2.50 |
5.00 |
5/ 8 |
0.048 |
0.187 |
11115 |
10911 |
3/ 8-16 |
5.00 |
10.00 |
5/ 8 |
0.048 |
0.187 |
11116 |
10912 |
3/ 8-16 |
6.00 |
21.00 |
5/ 8 |
0.048 |
0.187 |
11117 |
10913 |
1/ 2-13 |
3.00 |
6.00 |
3/ 4 |
0.072 |
0.281 |
11118 |
10914 |
1/ 2-13 |
6.00 |
12.00 |
3/ 4 |
0.072 |
0.281 |
11119 |
10915 |
1/ 2-13 |
6.00 |
30.00 |
3/ 4 |
0.072 |
0.281 |
11120 |
10916 |
5/ 8-11 |
4.50 |
9.00 |
1 |
0.096 |
0.375 |
11121 |
10917 |
5/ 8-11 |
9.00 |
18.00 |
1 |
0.096 |
0.375 |
11122 |
10918 |
5/ 8-11 |
7.00 |
50.00 |
1 |
0.096 |
0.375 |
|
不銹鋼
件號 |
碳鋼
件號 |
11002 |
10827 |
| 11221 |
10721 |
| 11231 |
11222 |
| 11222 |
10722 |
11008 |
10804 |
11009 |
10805 |
11010 |
10806 |
11011 |
10807 |
11012 |
10808 |
11013 |
10809 |
11014 |
10810 |
11015 |
10811 |
11016 |
10812 |
11017 |
10813 |
11018 |
10814 |
11019 |
10815 |
11020 |
10816 |
11021 |
10817 |
11022 |
10818 |
|
| 細牙型 - 帶鎖緊元件 |
不帶鎖緊元件 |
不銹鋼
件號 |
碳鋼
件號 |
螺紋尺寸
A |
初始彈力
lbs. |
末端彈力
lbs. |
B |
C |
D |
| 11101 |
10926 |
4-48 |
0.12 |
0.50 |
3/16 |
0.020 |
0.062 |
| 11103 |
10928 |
6-40 |
0.50 |
1.00 |
5/16 |
0.023 |
0.078 |
| 11104 |
10929 |
8-36 |
0.50 |
1.25 |
11/32 |
0.025 |
0.093 |
| 11105 |
10901 |
10-32 |
0.50 |
1.50 |
33/64 |
0.025 |
0.093 |
| 11106 |
10902 |
10-32 |
1.50 |
3.00 |
33/64 |
0.025 |
0.093 |
| 11107 |
10903 |
10-32 |
2.00 |
5.00 |
33/64 |
0.025 |
0.093 |
11203 |
10703 |
1/4-28 |
2.0 |
4.0 |
17/32 |
0.035 |
0.125 |
11212 |
10712 |
1/4-28 |
3.0 |
7.0 |
17/32 |
0.035 |
0.125 |
11204 |
10704 |
1/4-28 |
4.0 |
12.0 |
17/32 |
0.035 |
0.125 |
11205 |
10705 |
5/16-24 |
2.0 |
4.5 |
37/64 |
0.040 |
0.156 |
11213 |
10713 |
5/16-24 |
4.0 |
9.0 |
37/64 |
0.040 |
0.156 |
11206 |
10706 |
5/16-24 |
6.0 |
17.0 |
37/64 |
0.040 |
0.156 |
11207 |
10707 |
3/8-24 |
2.5 |
5.0 |
5/ 8 |
0.048 |
0.187 |
11214 |
10714 |
3/8-24 |
5.0 |
10.0 |
5/ 8 |
0.048 |
0.187 |
11208 |
10708 |
3/8-24 |
6.0 |
21.0 |
5/ 8 |
0.048 |
0.187 |
11209 |
10709 |
1/2-20 |
3.0 |
6.0 |
3/ 4 |
0.072 |
0.281 |
11215 |
10715 |
1/2-20 |
6.0 |
12.0 |
3/ 4 |
0.072 |
0.281 |
11210 |
10710 |
1/2-20 |
6.0 |
30.0 |
3/ 4 |
0.072 |
0.281 |
|
不銹鋼
件號 |
碳鋼
件號 |
| 11001 |
10826 |
| 11003 |
10828 |
| 11004 |
10829 |
| 11005 |
10801 |
| 11006 |
10802 |
| 11007 |
10803 |
11223 |
10723 |
11232 |
10732 |
11224 |
10724 |
11225 |
10725 |
11233 |
10733 |
11226 |
10726 |
11227 |
10727 |
11234 |
10734 |
11228 |
10728 |
11229 |
10729 |
11235 |
10735 |
11230 |
10730 |
|
|
|
| |
|
| |
|
上一頁 第4.10頁 下一頁 |
| |
|
|