|
|
|
|
|
|
|
|
|
起重吊環 |
|
美國制造,享有國際信譽的杰根斯起重吊環,為模具起吊提供可靠保證。杰根斯起重吊環起重載荷最大可達22.5噸,且具有5倍的安全系數,最大螺紋直徑達M64,所有材料都是高強度合金鋼,萬向吊環具直拉型和側拉型.... |
|
|
|
|
|
|
|
|
類型 |
公/英制 |
螺紋尺寸 |
載荷 |
|
|
|
|
| |
|
| |
|
| |
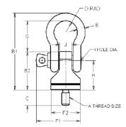
| Shackle-Lok ™ 可卸吊扣吊環 |
|
 |

注意:在鎖緊螺栓時,必須先將吊扣和銷卸除。
避免長時間的轉動。
不適合長期旋轉
|
件號 |
A |
載荷1
(lbs) |
長度 |
螺紋
長度
C |
D |
E |
寬度 |
G |
(H) |
插銷孔
(I) |
(J) |
扭矩2
(lbs*ft) |
重量(lbs) |
內六角
尺寸 |
含吊扣 |
不含
吊扣 |
含吊扣
B1 |
不含
吊扣
B2 |
含吊扣
F1 |
不含
吊扣
F2 |
含吊扣 |
不含
吊扣 |
24400 |
24400NS |
1/4-20 |
550 |
2.48 |
1.23 |
1/2 |
0.38 |
1/4 |
1.57 |
0.94 |
1.00 |
.95 |
.34 |
.40 |
3 |
0.26 |
0.15 |
5/32 |
24401 |
24401NS |
5/16-18 |
800 |
2.48 |
1.23 |
1/4 |
0.38 |
1/4 |
1.57 |
0.94 |
1.00 |
.95 |
.34 |
.40 |
5 |
0.26 |
0.15 |
5/32 |
24402 |
24402NS |
5/16-18 |
800 |
2.48 |
1.23 |
9/16 |
0.38 |
1/4 |
1.57 |
0.94 |
1.00 |
.95 |
.34 |
.40 |
5 |
0.27 |
0.16 |
5/32 |
24403 |
24403NS |
3/8-16 |
1000 |
2.48 |
1.23 |
9/16 |
0.38 |
1/4 |
1.57 |
0.94 |
1.00 |
.95 |
.34 |
.40 |
7 |
0.27 |
0.16 |
5/32 |
24405 |
24405NS |
1/2-13 |
2500 |
4.17 |
1.97 |
3/4 |
0.71 |
1/2 |
2.96 |
1.56 |
1.7 |
1.42 |
.68 |
.74 |
23 |
1.32 |
0.62 |
1/4 |
24406 |
24406NS |
1/2-13 |
2500 |
4.17 |
1.97 |
1 |
0.71 |
1/2 |
2.96 |
1.56 |
1.7 |
1.42 |
.68 |
.74 |
23 |
1.34 |
0.63 |
1/4 |
24407 |
24407NS |
1/2-13 |
2500 |
4.17 |
1.97 |
1 1/16 |
0.71 |
1/2 |
2.96 |
1.56 |
1.7 |
1.42 |
.68 |
.74 |
23 |
1.34 |
0.64 |
1/4 |
24408 |
24408NS |
1/2-13 |
2500 |
4.17 |
1.97 |
1 1/4 |
0.71 |
1/2 |
2.96 |
1.56 |
1.7 |
1.42 |
.68 |
.74 |
23 |
1.35 |
0.65 |
1/4 |
24409 |
24409NS |
5/8-11 |
4000 |
4.17 |
1.97 |
3/4 |
0.71 |
1/2 |
2.96 |
1.56 |
1.7 |
1.42 |
.68 |
.74 |
46 |
1.35 |
0.64 |
1/4 |
24410 |
24410NS |
5/8-11 |
4000 |
4.17 |
1.97 |
1 |
0.71 |
1/2 |
2.96 |
1.56 |
1.7 |
1.42 |
.68 |
.74 |
46 |
1.37 |
0.66 |
1/4 |
24411 |
24411NS |
5/8-11 |
4000 |
4.17 |
1.97 |
1 1/4 |
0.71 |
1/2 |
2.96 |
1.56 |
1.7 |
1.42 |
.68 |
.74 |
46 |
1.39 |
0.69 |
1/4 |
24412 |
24412NS |
3/4-10 |
5000 |
5.56 |
2.71 |
1 |
0.94 |
5/8 |
3.72 |
2.3 |
2.23 |
2.06 |
.79 |
.98 |
69 |
3.42 |
1.98 |
3/8 |
24413 |
24413NS |
3/4-10 |
5000 |
5.56 |
2.71 |
1 1/2 |
0.94 |
5/8 |
3.72 |
2.3 |
2.23 |
2.06 |
.79 |
.98 |
69 |
3.48 |
2.04 |
3/8 |
24414 |
24414NS |
7/8-9 |
8000 |
7.25 |
3.52 |
1 |
1.31 |
7/8 |
5.63 |
2.9 |
2.85 |
2.62 |
1.06 |
1.36 |
130 |
7.66 |
3.95 |
7/16 |
24415 |
24415NS |
7/8-9 |
8000 |
7.25 |
3.52 |
1 1/4 |
1.31 |
7/8 |
5.63 |
2.9 |
2.85 |
2.62 |
1.06 |
1.36 |
130 |
7.7 |
3.99 |
7/16 |
24416 |
24416NS |
1-8 |
10000 |
7.25 |
3.52 |
1 1/4 |
1.31 |
7/8 |
5.63 |
2.9 |
2.85 |
2.62 |
1.06 |
1.36 |
185 |
7.76 |
4.05 |
7/16 |
24417 |
24417NS |
1-8 |
10000 |
7.25 |
3.52 |
1 1/2 |
1.31 |
7/8 |
5.63 |
2.9 |
2.85 |
2.62 |
1.06 |
1.36 |
185 |
7.81 |
4.1 |
7/16 |
24418 |
24418NS |
1-8 |
10000 |
7.25 |
3.52 |
2 1/4 |
1.31 |
7/8 |
5.63 |
2.9 |
2.85 |
2.62 |
1.06 |
1.36 |
185 |
7.98 |
4.27 |
7/16 |
24419 |
24419NS |
1 1/4-7 |
15000 |
8.25 |
3.99 |
1 7/8 |
1.38 |
1 |
6.08 |
3.06 |
3.3 |
2.94 |
1.18 |
1.61 |
345 |
11.34 |
5.89 |
1/2 |
24420 |
24420NS |
1 1/4-8 |
15000 |
8.25 |
3.99 |
1 7/8 |
1.38 |
1 |
6.08 |
3.06 |
3.3 |
2.94 |
1.18 |
1.61 |
345 |
11.35 |
5.89 |
1/2 |
24421 |
24421NS |
1 1/2-6 |
24000 |
11.72 |
5.11 |
2 1/4 |
1.88 |
1 1/2 |
8.32 |
4.06 |
5.11 |
3.64 |
1.72 |
2.23 |
660 |
29 |
12.36 |
3/4 |
24424 |
24424NS |
2-4 1/2 |
30000 |
11.72 |
5.11 |
3 1/8 |
1.88 |
1 1/2 |
8.32 |
4.06 |
5.11 |
3.64 |
1.72 |
2.23 |
1100 |
30.6 |
13.97 |
3/4 |
24426 |
24426NS |
2 1/2-4 |
50000 |
14.22 |
6.52 |
4 |
2.25 |
1 3/4 |
9.57 |
5.22 |
6.0 |
4.47 |
2.07 |
2.67 |
2300 |
58.7 |
28.95 |
1 |
24427 |
24427NS |
2 1/2-8 |
50000 |
14.22 |
6.52 |
4 |
2.25 |
1 3/4 |
9.57 |
5.22 |
6.0 |
4.47 |
2.07 |
2.67 |
2300 |
58.77 |
29.02 |
1 |
1基于表中的推薦螺紋扭矩所注明的對應載荷。
2建議以該扭矩安裝吊環。 |
| |
件號 |
A |
載荷1
(kg) |
長度 |
螺紋
長度
C |
D |
E |
寬度 |
G |
(H) |
插銷孔
(I) |
(J) |
扭矩2
(Nm)
ft) |
重量 (kg) |
內六角
尺寸 |
含吊扣 |
不含
吊扣 |
含吊扣
B1 |
不含
吊扣
B2 |
含吊扣
F1 |
不含
吊扣
F2 |
含吊扣 |
不含
吊扣 |
24450 |
24450NS |
M6 X 1.0 |
200 |
63.0 |
31.2 |
12 |
9.5 |
6.4 |
39.9 |
23.9 |
25 |
24.1 |
8.7 |
10.2 |
3 |
0.12 |
0.07 |
4 |
24451 |
24451NS |
M8 X 1.25 |
400 |
63.0 |
31.2 |
12.5 |
9.5 |
6.4 |
39.9 |
23.9 |
25 |
24.1 |
8.7 |
10.2 |
7 |
0.12 |
0.07 |
4 |
24452 |
24452NS |
M10 X 1.5 |
450 |
63.0 |
31.2 |
17.5 |
9.5 |
6.4 |
39.9 |
23.9 |
25 |
24.1 |
8. |
10.2 |
10 |
0.13 |
0.08 |
4 |
24453 |
24453NS |
M12 X 1.75 |
1050 |
105.9 |
50.0 |
19.5 |
18.0 |
12.7 |
75.1 |
39.6 |
43 |
36.1 |
17.1 |
18.8 |
27 |
0.60 |
0.28 |
8 |
24455 |
24455NS |
M16 X 2.0 |
1900 |
105.9 |
50.0 |
29 |
18.0 |
12.7 |
75.1 |
39.6 |
43 |
36.1 |
17.1 |
18.8 |
70 |
0.63 |
0.31 |
8 |
24456 |
24456NS |
M20 X 2.5 |
2150 |
141.2 |
68.8 |
32 |
23.8 |
15.9 |
94.4 |
58.4 |
57 |
52.3 |
20.0 |
24.9 |
105 |
1.57 |
0.92 |
10 |
24458 |
24458NS |
M24 X 3.0 |
4200 |
184.2 |
89.4 |
37 |
33.4 |
22.2 |
143.0 |
71.1 |
72 |
66.5 |
26.9 |
35.4 |
225 |
3.52 |
1.84 |
12 |
24459 |
24459NS |
M30 X 3.5 |
7000 |
209.6 |
101.3 |
46 |
34.9 |
25.4 |
154.3 |
77.7 |
83 |
74.7 |
29.8 |
40.9 |
490 |
5.10 |
2.63 |
14 |
24460 |
24460NS |
M30 X 3.5 |
7000 |
209.6 |
101.3 |
66 |
34.9 |
25.4 |
154.3 |
77.7 |
83 |
74.7 |
29.8 |
40.9 |
490 |
5.22 |
2.74 |
14 |
24463 |
24463NS |
M36 X 4.0 |
11000 |
297.7 |
129.8 |
54 |
47.8 |
38.1 |
211.3 |
103.1 |
130 |
93.0 |
43.6 |
56.6 |
885 |
13.07 |
5.52 |
19 |
24465 |
24465NS |
M42 X 4.5 |
12500 |
297.7 |
129.8 |
68 |
47.8 |
38.1 |
211.3 |
103.1 |
130 |
93.0 |
43.6 |
56.6 |
1175 |
13.37 |
5.82 |
19 |
24466 |
24466NS |
M48 X 5.0 |
13500 |
297.7 |
129.8 |
88 |
47.8 |
38.1 |
211.3 |
103.1 |
130 |
93.0 |
43.6 |
56.6 |
1420 |
13.87 |
6.32 |
19 |
24468 |
24468NS |
M64 X 6.0 |
22500 |
361.2 |
165.6 |
96 |
57.2 |
44.5 |
243.0 |
132.6 |
151 |
113.5 |
52.5 |
67.8 |
3140 |
26.54 |
13.04 |
24 |
*吊扣材料: 碳鋼
吊環類型IVA, Grade A, Class 2
|
所有尺寸為毫米。
1基于表中的推薦螺紋扭矩所注明的對應載荷。
2建議以該扭矩安裝吊環。 |
| |
|
| |
|
| |
|
上一頁 第10.19頁 下一頁 |
| |
|
|