|
|
| |
|
| |
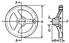
塑料實心手輪
帶手捏及折疊式轉臂手柄
ELESA 原設計 |
|
 |
- 材料: 高強度強化聚酰亞胺(Duroplast)
- 表面處理: 黑色光面
- 輪輻中心: 黑色氧化鋼
- 抗溶解, 抗油脂和其他化學介質腐蝕
|
 |
| |
件 號 |
A
|
B |
C |
D |
E |
F |
G |
H |
I |
J |
K |
22852 |
3.94 |
2.04 |
1.02 |
1.37 |
2.12 |
1.53 |
2.20 |
.94 |
1.29 |
.78 |
.47 |
22853 |
4.92 |
2.36 |
1.18 |
1.73 |
2.76 |
1.81 |
2.56 |
1.26 |
1.50 |
.94 |
.59 |
22854 |
5.91 |
2.48 |
1.26 |
1.73 |
2.76 |
1.89 |
2.56 |
1.26 |
1.50 |
.94 |
.59 |
22855 |
7.01 |
2.56 |
1.26 |
2.17 |
3.54 |
2.20 |
3.54 |
1.57 |
1.69 |
1.22 |
.59 |
22856 |
7.91 |
2.76 |
1.34 |
2.17 |
3.54 |
2.36 |
3.54 |
1.57 |
1.69 |
1.22 |
.59 |
22857 |
9.80 |
3.03 |
1.42 |
2.60 |
4.33 |
2.76 |
3.54 |
1.93 |
1.73 |
1.50 |
.59 |
|
|
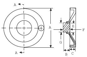
| 尼龍角緣三輻手輪 |
|
|
 |
- 材料: 輪, 6-6 尼龍
輪輻中心, 鑄鐵
- 表面處理: 輪, 黑色
輪輻中心, 黑色氧化
- 攻絲黃銅嵌入具有齒紋外徑, 與手輪牢固結合.
- 所有手輪都是三輻
- 提供適用于FixtureProTM 軟件的設計資料
|
 |
| |
件 號 |
A |
B |
C |
E |
F |
G |
螺紋尺寸 |
34051 |
4 |
1 3/32 |
9/16 |
15/16 |
15/16 |
1 1/16 |
M8 x 1.25 |
34054 |
6 |
1 13/32 |
23/32 |
1 3/16 |
1 3/8 |
1 3/8 |
M10 x 1.50 |
34055 |
8 |
1 13/32 |
7/8 |
1 3/8 |
1 29/32 |
1 17/32 |
M10 x 1.50 |
|
|
| 塑料角緣實心手輪 |
|
|
 |
- 材料: 輪, 縮醛共聚物(Acetal Co-Polymer)
輪輻中心, 鑄鐵
- 表面處理: 輪, 黑色
輪輻中心, 黑色氧化
- 攻絲黃銅嵌入具有齒紋外徑, 與手輪牢固結合.
- 鋁制中心板上可按要求印記用戶的公司名等信息.
- 提供適用于FixtureProTM 軟件的設計資料
|
 |
| |
件 號 |
A |
B |
C |
E |
F |
G |
螺紋尺寸 |
34061 |
5 |
1 1/8 |
5/8 |
1 |
1 1/8 |
1 1/8 |
M8 x 1.25 |
34062 |
6 |
1 11/32 |
23/32 |
1 3/16 |
1 11/32 |
1 11/32 |
M10 x 1.50 |
34063 |
8 |
1 29/32 |
25/32 |
1 3/8 |
1 29/32 |
1 17/32 |
M10 x 1.50 |
|
|
| |
|
| |
|
上一頁 第9.9頁 下一頁 |
| |
|
|