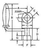
| 鍛制曲柄手把 |
|
 |
 |
- 材料:C-1021 鍛鋼
- 表面處理: 研磨
- 提供適用于FixtureProTM 軟件的設計資料
|
|
| 表面經處理的曲柄把手 |
未處理的曲柄把手 |
件 號 |
E |
F |
G |
重量
(磅) |
20301 |
1/2 Sq. |
3/4 |
3/16 |
.50 |
20303 |
9/16 Sq. |
3/4 |
1/4 |
.82 |
20304 |
1/2 Sq. |
11/16 |
1/4 |
.74 |
20305 |
9/16 Sq. |
3/4 |
5/16 |
.97 |
20306 |
5/8 Sq. |
7/8 |
3/8 |
1.37 |
20307 |
11/16 Sq. |
15/16 |
3/8 |
1.25 |
20308 |
3/4 Sq. |
1 1/16 |
1/2 |
1.67 |
20309 |
7/8 Sq. |
1 1/4 |
1/2 |
2.44 |
20310 |
7/8 Sq. |
1 1/4 |
1/2 |
2.60 |
20311 |
1 Sq. |
1 3/8 |
9/16 |
3.62 |
|
件 號 |
A |
B |
C |
D |
重量
(磅) |
20501 |
2 1/2 |
3 3/4 |
1 |
1/4 |
.60 |
20503 |
3 |
4 1/4 |
1 1/4 |
1 1/2 |
.97 |
20504 |
3 1/2 |
4 3/16 |
1 1/16 |
1 5/16 |
.90 |
20505 |
4 |
4 1/2 |
1 1/4 |
1 3/8 |
1.14 |
20506 |
5 |
4 15/16 |
1 1/4 |
1 13/16 |
1.62 |
20507 |
6 |
5 1/16 |
1 1/4 |
1 15/16 |
1.62 |
20508 |
7 |
5 7/16 |
1 3/8 |
2 1/16 |
1.95 |
20509 |
8 |
6 1/16 |
1 9/16 |
2 7/16 |
3.00 |
20510 |
9 1/8 |
6 1/4 |
1 1/2 |
2 1/2 |
3.25 |
20511 |
10 |
7 |
1 3/4 |
3 |
4.37 |
|
|
| 鋼制杠桿式壓板手把 |
|
 |
- 材料:搖桿, 低碳鋼
球,塑料
- 表面處理: 搖桿, 光滑鍍鉻
球, 黑色
|
| 件 號 |
中心軸類型 |
A |
B |
C |
D |
E |
16601 |
1/4 鉸孔 |
5/8 |
7/16 |
2 1/4 |
3/4 |
1/8 |
16602 |
5/16-18 螺紋 |
5/8 |
7/16 |
2 1/4 |
3/4 |
— |
16603 |
5/16 鉸孔 |
25/32 |
9/16 |
2 3/4 |
13/16 |
1/8 |
16604 |
3/8-16 螺紋 |
25/32 |
9/16 |
2 3/4 |
13/16 |
— |
16605 |
3/8 鉸孔 |
1 |
3/4 |
3 1/2 |
15/16 |
5/32 |
16606 |
1/2-13 螺紋 |
1 |
3/4 |
3 1/2 |
15/16 |
— |
16607 |
1/2 鉸孔 |
1 1/4 |
7/8 |
4 3/8 |
1 1/4 |
3/16 |
16608 |
5/8-11 螺紋 |
1 1/4 |
7/8 |
4 3/8 |
1 1/4 |
— |
16609 |
5/8 鉸孔 |
1 9/16 |
1 1/8 |
5 1/2 |
1 1/2 |
1/4 |
16610 |
3/4-10 螺紋 |
1 9/16 |
1 1/8 |
5 1/2 |
1 1/2 |
— |
|