|
|
| |
|
| |
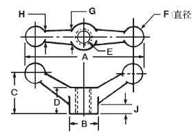
| 鋁制 & 可鍛鑄鐵雙把手柄 |
 |
 |
- 材料: 319 鋁,ASTM A47, GR32510 可鍛鑄鐵
- 表面處理: 碾磨
- 螺紋等級: 2B-UNC 或 6h
- 可與活塞桿配合, 用于壓緊箱蓋, 或其他快速旋轉的鎖緊應用.
- 可選擇帶/不帶螺紋孔/光孔
- 提供適用于FixtureProTM 軟件的設計資料
- D尺寸取決于加工后的鑄件. 粗坯上該尺寸可能稍微大些.
|
件 號 |
A |
B |
C |
D |
E |
直徑
F |
G |
H |
J |
鋁制 |
可鍛鑄鐵 |
39901 |
40301 |
4 1/2 |
1 1/8 |
1 1/2 |
1 |
空白 |
11/16 |
3/4 |
7/16 |
1/2 |
39902 |
40302 |
4 1/2 |
1 1/8 |
1 1/2 |
1 |
3/8-16 |
11/16 |
3/4 |
7/16 |
1/2 |
39903 |
40303 |
4 1/2 |
1 1/8 |
1 1/2 |
1 |
1/2-13 |
11/16 |
3/4 |
7/16 |
1/2 |
39904 |
40304 |
6 |
1 1/2 |
2 1/8 |
1 1/2 |
空白 |
.94 |
7/8 |
5/8 |
3/4 |
39905 |
40305 |
6 |
1 1/2 |
2 1/8 |
1 1/2 |
1/2-13 |
.94 |
7/8 |
5/8 |
3/4 |
39906 |
40306 |
6 |
1 1/2 |
2 1/8 |
1 1/2 |
5/8-11 |
.94 |
7/8 |
5/8 |
3/4 |
39907 |
40307 |
8 3/4 |
2 |
3 |
2 |
空白 |
1 3/16 |
1.02 |
7/8 |
.94 |
— |
40308 |
8 3/4 |
2 |
3 |
2 |
3/4-10 |
1 3/16 |
1.02 |
7/8 |
.94 |
件 號 |
A |
B |
C |
D |
E |
直徑
F |
G |
H |
J |
鋁制 |
可鍛鑄鐵 |
39901 |
40301 |
113 |
28 |
38 |
25 |
空白 |
17 |
19 |
11 |
13 |
39952 |
40352 |
113 |
28 |
38 |
25 |
M10 |
17 |
19 |
11 |
13 |
39953 |
40353 |
113 |
28 |
38 |
25 |
M12 |
17 |
19 |
11 |
13 |
39954 |
40304 |
150 |
38 |
53 |
38 |
空白 |
24 |
22 |
16 |
19 |
39955 |
40355 |
150 |
38 |
53 |
38 |
M12 |
24 |
22 |
16 |
19 |
39956 |
40356 |
150 |
38 |
53 |
38 |
M16 |
24 |
22 |
16 |
19 |
39907 |
40307 |
219 |
50 |
75 |
50 |
空白 |
30 |
26 |
22 |
24 |
— |
40358 |
222 |
50 |
75 |
50 |
M20 |
30 |
26 |
22 |
24 |
|
|
| |
|
| |
|
上一頁 第9.39頁 下一頁 |
| |
|
|