|
|
| |
|
| |
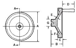
| 鋁制角緣實心手輪 |
 |
 |
- 直徑3到12英寸, 和75到300毫米
- 輕質, 材料為319鋁合金
- 輪輻與中心鉆桿同心
- 可選帶或不帶手柄
- 鉆孔和鍵溝可客戶定做
- 提供適用于FixtureProTM 軟件的設計資料
帶手柄的手輪 |
件 號 |
A
|
B |
C |
D |
E |
F |
G |
22702 |
3 |
1 11/16 |
5/8 |
1 5/8 |
1/4 |
1 7/32 |
1 1/4 |
22703 |
4 |
1 7/8 |
5/8 |
1 5/8 |
3/16 |
1 7/16 |
1 1/2 |
22704 |
5 |
2 |
11/16 |
2 1/16 |
3/16 |
1 1/4 |
1 1/2 |
22705= |
6 |
2 |
3/4 |
2 9/16 |
3/16 |
1 3/8 |
1 1/2 |
22706= |
8 |
2 1/2 |
7/8 |
2 15/16 |
3/16 |
1 3/4 |
2 |
22707= |
10 |
3 1/4 |
1 |
3 5/16 |
3/16 |
2 7/32 |
2 5/16 |
22708= |
12 |
3 1/2 |
1 |
3 5/16 |
1/4 |
2 1/4 |
2 1/2 |
=指捏在實心輪背后
公制帶手柄的手輪 |
件 號 |
僅手輪 |
僅手柄 |
22502* |
21902 |
22503* |
21902 |
22504* |
21903 |
22505*= |
21904 |
22506*= |
21905 |
22507*= |
21906 |
22508*= |
21906 |
*未為手柄攻螺紋 |
| |
件 號 |
A
|
參考
B |
C |
D |
E |
F |
G |
22752 |
75 |
42 |
16 |
41 |
6 |
30 |
31 |
22753 |
100 |
47 |
16 |
41 |
5 |
36 |
38 |
22754 |
125 |
50 |
17 |
52 |
5 |
31 |
38 |
22755 |
150 |
50 |
19 |
64 |
5 |
34 |
38 |
22756 |
200 |
63 |
22 |
73 |
5 |
44 |
50 |
22757 |
250 |
81 |
25 |
83 |
5 |
55 |
58 |
22758 |
300 |
88 |
25 |
83 |
6 |
56 |
63 |
*未為手柄攻螺紋 |
件 號 |
僅手輪 |
僅手柄 |
22502* |
21952 |
22503* |
21952 |
22504* |
21953 |
22505* |
21954 |
22506* |
21955 |
22507* |
21956 |
22508* |
21956 |
|
|
|
| 鑄鐵角緣輪輻手輪 |
 |
公制

|
- 細粒鑄鐵
- 輪輻與中心孔同心
- 所有鑄鐵輪有兩個輪輻和指捏. 可選帶或不帶手柄
- 可選黑色環氧樹脂表面處理和一個普通表面處理的手柄,輪輻磨光處理.
- 用戶也可指定環氧樹脂表面顏色
公制帶手柄的磨光處理手輪 |
| |
件 號 |
A
|
B |
C |
D |
E |
F |
G |
H |
22451 |
100 |
38 |
16 |
41 |
6 |
25 |
30 |
10 |
22452 |
150 |
50 |
19 |
64 |
9 |
36 |
39 |
12 |
22453 |
200 |
57 |
22 |
73 |
11 |
38 |
45 |
16 |
22454 |
250 |
75 |
25 |
83 |
13 |
57 |
57 |
16 |
*未為手柄攻螺紋 |
件 號 |
僅手輪 |
僅手柄 |
22251* |
21952 |
22252* |
21954 |
22253* |
21955 |
22254* |
21956 |
|
|
| |
|
| |
|
上一頁 第9.3頁 下一頁 |
| |
|
|