- 材料: #30 灰鐵
- 表面處理: 鍍鋅
- 螺紋等級: 2B-UNC
- 鉸孔公差: +.002
-.000
- 旋鈕中心: 可選空白, 鉸孔或攻螺紋
- 提供適用于FixtureProTM 軟件的設計
資料

鑄鐵旋鈕
公制
- 材料: #30 灰鐵
- 表面處理: 鍍鋅
- 螺紋等級: Class 6h
- 鉸孔公差: -.000
+.05
- 空白旋鈕鍍鋅
- 提供適用于FixtureProTM 軟件的
設計資料
|
件 號 |
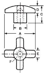
A |
B |
C |
D |
E |
旋鈕中心
類型 |
F |
重量(磅)
10 件 |
16305* |
1 1/8 |
5/8 |
3/4 |
5/16 |
5/16 |
空白 |
– |
.78 |
16331* |
1 1/8 |
5/8 |
11/16 |
5/16 |
5/16 |
1/4 鉸孔 |
1/2 |
.63 |
16330 |
1 1/8 |
5/8 |
11/16 |
5/16 |
5/16 |
5/16 鉸孔 |
1/2 |
.63 |
16306* |
1 1/8 |
5/8 |
11/16 |
5/16 |
5/16 |
1/4-20 攻螺紋 |
1/2 |
.63 |
16307 |
1 1/8 |
5/8 |
11/16 |
5/16 |
5/16 |
5/16-18 攻螺紋 |
1/2 |
.63 |
16308* |
1 1/2 |
11/16 |
15/16 |
7/16 |
3/8 |
空白 |
– |
1.56 |
16309* |
1 1/2 |
11/16 |
7/8 |
7/16 |
3/8 |
5/16 鉸孔 |
9/16 |
1.30 |
16310 |
1 1/2 |
11/16 |
7/8 |
7/16 |
3/8 |
3/8 鉸孔 |
9/16 |
1.30 |
16311* |
1 1/2 |
11/16 |
7/8 |
7/16 |
3/8 |
5/16-18 攻螺紋 |
9/16 |
1.30 |
16312 |
1 1/2 |
11/16 |
7/8 |
7/16 |
3/8 |
3/8-16 攻螺紋 |
9/16 |
1.30 |
16313* |
2 |
3/4 |
1 3/16 |
1/2 |
1/2 |
空白 |
– |
3.00 |
16314* |
2 |
3/4 |
1 1/8 |
1/2 |
1/2 |
3/8 鉸孔 |
11/16 |
2.75 |
16315 |
2 |
3/4 |
1 1/8 |
1/2 |
1/2 |
1/2 鉸孔 |
11/16 |
2.70 |
16316* |
2 |
3/4 |
1 1/8 |
1/2 |
1/2 |
3/8-16 攻螺紋 |
11/16 |
2.75 |
16317 |
2 |
3/4 |
1 1/8 |
1/2 |
1/2 |
1/2-13 攻螺紋 |
11/16 |
2.70 |
16318* |
2 1/2 |
1 1/8 |
1 9/16 |
5/8 |
5/8 |
空白 |
– |
7.00 |
16319* |
2 1/2 |
1 1/8 |
1 1/2 |
5/8 |
5/8 |
1/2 鉸孔 |
1 |
6.00 |
16320* |
2 1/2 |
1 1/8 |
1 1/2 |
5/8 |
5/8 |
5/8 鉸孔 |
1 |
5.80 |
16321* |
2 1/2 |
1 1/8 |
1 1/2 |
5/8 |
5/8 |
1/2-13 攻螺紋 |
1 |
6.00 |
16322* |
2 1/2 |
1 1/8 |
1 1/2 |
5/8 |
5/8 |
5/8-11 攻螺紋 |
1 |
5.80 |
16323* |
3 |
1 1/4 |
1 13/16 |
9/16 |
5/8 |
空白 |
– |
11.25 |
16324* |
3 |
1 1/4 |
1 3/4 |
9/16 |
5/8 |
5/8 鉸孔 |
1 1/8 |
10.00 |
16325* |
3 |
1 1/4 |
1 3/4 |
9/16 |
5/8 |
3/4 鉸孔 |
1 1/8 |
9.20 |
16326 |
3 |
1 1/4 |
1 3/4 |
9/16 |
5/8 |
1/2-13 攻螺紋 |
1 1/8 |
10.70 |
16327* |
3 |
1 1/4 |
1 3/4 |
9/16 |
5/8 |
5/8-11 攻螺紋 |
1 1/8 |
10.25 |
16328* |
3 |
1 1/4 |
1 3/4 |
9/16 |
5/8 |
3/4-10 攻螺紋 |
1 1/8 |
9.50 |
*TCMA 標準 |