| 重型凸輪推壓壓緊器 |
|
|

|
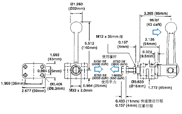
型號 HDC6750P
壓緊力: 3060 公斤 (使用套桿),
660 公斤 (使用手力)
重量: 1.54 公斤
完整配置: 固定螺絲、螺母、安裝基座和
鎖緊螺母 |
 |
|

|
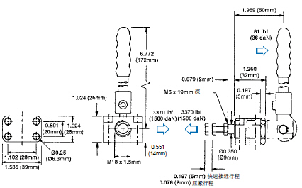
型號 HDC3300PL
壓緊力: 1530 公斤
重量: 0.36 公斤
完整配置: 固定螺絲、螺母、安裝基
座和鎖緊螺母 |
 |
|

|
型號 HDC4400PL
壓緊力: 1730 公斤
重量: 0.77 公斤
完整配置: 固定螺絲、螺母
安裝基座和鎖緊螺母
理論壓緊力: 2040 公斤 |
 |
件 號 |
作用于手柄的
推力(手推) |
壓緊力 |
壓緊力
(使用套桿) |
快速靠近工件
行程(壓緊前) |
壓緊行程 |
72413 |
44 公斤 |
660 公斤 |
3060 公斤 |
11.0 |
4.0 |
72414 |
37 公斤 |
1530 公斤 |
N/A |
5.2 |
2.2 |
72415 |
39 公斤 |
1730 公斤 |
N/A |
7.0 |
3.0 |
|